Сопротивление материалов – страница 24
Через любую точку напряженного тела можно провести, как правило, _____________ взаимно перпендикулярные площадки (-ок), на которых касательные напряжения будут равны нулю.
2 
Объемный элемент находится под действием нормальных напряжений, показанных на рисунке:
,
,
. Модуль упругости материала
, коэффициент Пуассона
. Линейная деформация в направлении оси z будет равна нулю, когда напряжение
имеет значение ___ МПа.

Объемный элемент находится под действием нормальных напряжений, показанных на рисунке:
,
,
. Модуль упругости материала
, коэффициент Пуассона
. Линейная деформация в направлении оси z будет равна нулю, когда напряжение
имеет значение ___ МПа.3 
Жесткость поперечного сечения на изгиб
по длине балки постоянна. Величины: q – интенсивность равномерно распределенной нагрузки, l – длина – заданы. Прогиб свободного конца балки равен нулю, когда изгибающий момент М имеет значение ____ . Влиянием поперечной силы на величину прогиба пренебречь.

Жесткость поперечного сечения на изгиб
по длине балки постоянна. Величины: q – интенсивность равномерно распределенной нагрузки, l – длина – заданы. Прогиб свободного конца балки равен нулю, когда изгибающий момент М имеет значение ____ . Влиянием поперечной силы на величину прогиба пренебречь.4 
Стержень квадратного сечения с размерами
, длиной l сжимается силами F. При увеличении каждой стороны квадрата в два раза, при прочих равных условиях, гибкость стержня ___ раза.

Стержень квадратного сечения с размерами
, длиной l сжимается силами F. При увеличении каждой стороны квадрата в два раза, при прочих равных условиях, гибкость стержня ___ раза.5 
Форма потери устойчивости сжатого стержня, (см. верхний рис.), соответствует способу закрепления, показанному на схеме …

Форма потери устойчивости сжатого стержня, (см. верхний рис.), соответствует способу закрепления, показанному на схеме …
6 
− центры тяжестей прямоугольника, треугольника и всей фигуры. Момент инерции всей фигуры относительно оси x определяется по формуле …

− центры тяжестей прямоугольника, треугольника и всей фигуры. Момент инерции всей фигуры относительно оси x определяется по формуле …7 
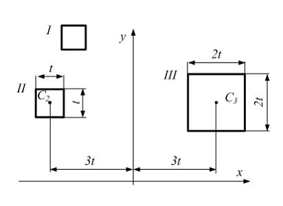
На рисунке показана система, состоящая из трех фигур. Точки
и
– центры тяжести второй и третьей фигур. Для того чтобы статический момент всей системы относительно оси у обратился в ноль, статический момент первой фигуры должен быть равен …

На рисунке показана система, состоящая из трех фигур. Точки
и
– центры тяжести второй и третьей фигур. Для того чтобы статический момент всей системы относительно оси у обратился в ноль, статический момент первой фигуры должен быть равен …9 
Однопролетная двухконсольная балка нагружена силой и моментом. Жесткость поперечного сечения на изгиб
по длине постоянна. Линейный размер l задан. Прогиб сечения С от внешней нагрузки по абсолютной величине равен… (Влиянием поперечной силы на величину перемещения пренебречь).

Однопролетная двухконсольная балка нагружена силой и моментом. Жесткость поперечного сечения на изгиб
по длине постоянна. Линейный размер l задан. Прогиб сечения С от внешней нагрузки по абсолютной величине равен… (Влиянием поперечной силы на величину перемещения пренебречь).11 
Момент инерции равнобедренного треугольника относительно оси x, проходящей через центр тяжести параллельно основанию, равен …

Момент инерции равнобедренного треугольника относительно оси x, проходящей через центр тяжести параллельно основанию, равен …
12 
При замене жестких защемлений сжатого стержня (рис. а) на шарниры (рис. б) значение критического напряжения ____ .
При решении задачи учесть, что напряжения в сжатых стержнях не превышают предела пропорциональности.

При замене жестких защемлений сжатого стержня (рис. а) на шарниры (рис. б) значение критического напряжения ____ .
При решении задачи учесть, что напряжения в сжатых стержнях не превышают предела пропорциональности.
Допускаемое напряжение на устойчивость
и допускаемое напряжение на прочность
связаны отношением
.
Коэффициент
называют …
и допускаемое напряжение на прочность
связаны отношением
.Коэффициент
называют …
равен …