Механика (Теплотехника) – страница 43
В уравнении теплового баланса котла потери теплоты через ограждения топки и конвективных газоходов обозначаются …
3 
На теоретической индикаторной диаграмме поршневого компрессора линия 4 – 1 соответствует ________ газа.

На теоретической индикаторной диаграмме поршневого компрессора линия 4 – 1 соответствует ________ газа.
В уравнении теплового баланса теплообменника
параметры, обозначенные
, соответствуют _________ расходам теплоносителей.
параметры, обозначенные
, соответствуют _________ расходам теплоносителей.Потери теплоты от химической неполноты сгорания (химический недожог) в уравнении теплового баланса парового котла
обозначены через …
обозначены через …Местные газорегулировочные пункты (ГРП) или газорегуляторные установки (ГРУ) предназначены для снижения давления газа и поддержания давления постоянным в пределах от _____ до 0,3 МПа.
7 
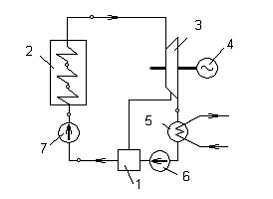
Дроссельный вентиль паровой компрессионной холодильной машины, показанной на рисунке, обозначен цифрой …

Дроссельный вентиль паровой компрессионной холодильной машины, показанной на рисунке, обозначен цифрой …
1 кВт·ч электрической энергии, вырабатываемой ТЭЦ, составляет в системе СИ ____ кДж.
Удельный расход топлива на выработку электрической энергии КЭС в кДж/кг выражается формулой …
Основной особенностью работы конденсационной электростанции является совпадение в любой момент количеств производимой и потребляемой ___________ энергии.
12 
Площадь под суточным графиком потребления электроэнергии, представленном на рисунке, будет характеризовать ее суточную выработку, если учесть …

Площадь под суточным графиком потребления электроэнергии, представленном на рисунке, будет характеризовать ее суточную выработку, если учесть …
Удельный расход условного топлива на выработку 1 кВт·ч электрической энергии КЭС в кг/кВт·ч выражается формулой …
16 
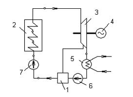
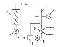
Если выработанная генератором КЭС электроэнергия измеряется в кВт·ч, то КПД «брутто» КЭС, принципиальная схема которой представлена на рисунке, вычисляется по формуле …

Если выработанная генератором КЭС электроэнергия измеряется в кВт·ч, то КПД «брутто» КЭС, принципиальная схема которой представлена на рисунке, вычисляется по формуле …
17 
Учитывая суточную неравномерность потребления электрической энергии, представленную на графиках целесообразно уменьшить тариф на электрическую энергию для населения при использовании 2-х тарифных электросчетчиков примерно с ______ час.

Учитывая суточную неравномерность потребления электрической энергии, представленную на графиках целесообразно уменьшить тариф на электрическую энергию для населения при использовании 2-х тарифных электросчетчиков примерно с ______ час.
Если N – электрическая нагрузка, то расход топлива на КЭС определяется по формуле …
21 
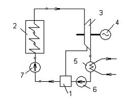
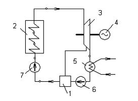
Если выработанная генератором КЭС электроэнергия измеряется в кДж, то КПД «брутто» КЭС, принципиальная схема которой представлена на рисунке, вычисляется по формуле …

Если выработанная генератором КЭС электроэнергия измеряется в кДж, то КПД «брутто» КЭС, принципиальная схема которой представлена на рисунке, вычисляется по формуле …
23 Если
то расход условного топлива на в г/кВт·ч равен …
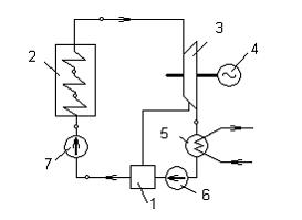
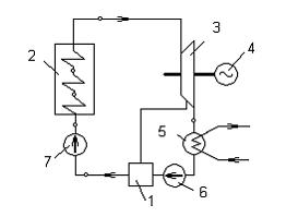
то расход условного топлива на в г/кВт·ч равен …Если выработанная генератором КЭС электроэнергия измеряется в кДж, то КПД «брутто» ТЭЦ вычисляется по формуле …
При расчете технико-экономических показателей ТЭЦ расход топлива на выработку отпускаемой тепловой энергии определяют по формуле …






