Математика и информатика – страница 82
Основным логическим элементом в практике построения вычислительных устройств является …
Логическому выражению
соответствует функциональная схема,
.
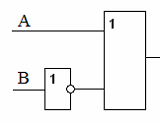
Тогда равносильная ей функциональная схема может иметь вид …
соответствует функциональная схема,
.Тогда равносильная ей функциональная схема может иметь вид …
Сложное логическое высказывание
состоит из двух простых высказываний
и
. Высказывание
истинно только тогда, когда истинно или высказывание
, или высказывание
и ложно в других случаях. Тогда функциональная схема логического выражения, соответствующего высказыванию
, может иметь вид …
состоит из двух простых высказываний
и
. Высказывание
истинно только тогда, когда истинно или высказывание
, или высказывание
и ложно в других случаях. Тогда функциональная схема логического выражения, соответствующего высказыванию
, может иметь вид …Логической функции
соответствует таблица истинности ….
соответствует таблица истинности ….Функциональной схемой логического выражения
является …
является …Таблица истинности
соответствует логической операции «Исключающее ИЛИ»
. Тогда третий столбец таблицы будет иметь вид …
соответствует логической операции «Исключающее ИЛИ»
. Тогда третий столбец таблицы будет иметь вид …График функции распределения непрерывной случайной величины имеет вид:

Тогда любое значение, принимаемое случайной величиной X, будет меньше …

Тогда любое значение, принимаемое случайной величиной X, будет меньше …
Для оценки с некоторой надежностью
математического ожидания a нормально распределенного признака X по выборочной средней
использовали доверительный интервал
, где
– точность оценки.
Установите соответствие между доверительными интервалами и наборами значений
и
:
1)
2)
математического ожидания a нормально распределенного признака X по выборочной средней
использовали доверительный интервал
, где
– точность оценки.Установите соответствие между доверительными интервалами и наборами значений
и
:1)

2)

Для изготовления кэш-памяти процессора используются запоминающие устройства типа …
На множестве отрезков 

заданы отношения P = « x короче y », Q = « x длиннее y », R = « x пересекает y », S = « x параллелен y ». Тогда пара
принадлежит отношениям …


заданы отношения P = « x короче y », Q = « x длиннее y », R = « x пересекает y », S = « x параллелен y ». Тогда пара
принадлежит отношениям …В поисковом запросе используется ключевое слово вида «автомати*». Тогда в документах, отобранных по этому запросу, могут встретиться слова …
Для хранения исходных данных и промежуточных результатов выполнения процессорных команд используется …
Отношение « x больше y на 4» можно задать с помощью уравнений …
В поисковом запросе указали ключевое слово вида «пере???ка». Тогда в отобранных документах могут содержаться слова …
На множестве
={Андрей, Дима, Катя, Оля } задано отношение «
выше
». Известно, что данному отношению принадлежат пары (Андрей, Дима), (Дима, Катя), (Катя, Оля). Тогда данному отношению также принадлежат пары …
={Андрей, Дима, Катя, Оля } задано отношение «
выше
». Известно, что данному отношению принадлежат пары (Андрей, Дима), (Дима, Катя), (Катя, Оля). Тогда данному отношению также принадлежат пары …Дважды производится бросание игральной кости. Вероятность того, что дважды выпадет количество очков, большее 4, вычисляется следующим образом …
Принтер признается не подлежащим ремонту, если произойдет хотя бы одна из двух различных поломок. Вероятность поломки первого вида 0,2, а поломки второго вида 0,4. Поломки могут произойти как одновременно, так и отдельно. Вероятность списывания принтера, ввиду невозможности ремонта, равна …
На стеллаже были выставлены 10-томное собрание сочинений Пушкина, три тома Дюма и 5 томов Лермонтова. Посетитель библиотеки наугад выбирает один из томов. Вероятность выбора произведения классика русской литературы равна …

, заданного функциональной схемой
,
, заданного таблицей истинности
, будет …
задано отношение «
». Тогда число
находится в данном отношении с числами …