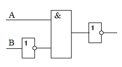
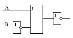
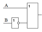
Функциональной схемой логического выражения Изображение вопроса Функциональной схемой логического выражения , зада..., заданного таблицей истинности Изображение вопроса Функциональной схемой логического выражения , зада..., будет …
• 
• 
• 
• 
Тема: Логические основы ЭВМ
Предмет: Математика и информатика