Логическому выражению
соответствует функциональная схема,
.
Тогда равносильная ей функциональная схема может иметь вид …
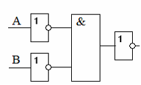
соответствует функциональная схема,
.Тогда равносильная ей функциональная схема может иметь вид …
• 

• 

• 

• 

соответствует функциональная схема,
.


