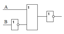
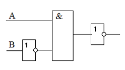
Функциональной схемой логического выражения Изображение вопроса Функциональной схемой логического выражения  являе... является …
• 
• 
• 
• 
Тема: Логические основы ЭВМ
Предмет: Математика и информатика