Электротехника и электроника – страница 55
Если в катушке с числом витков w протекает постоянный ток I, а по сердечнику с площадью поперечного сечения S замыкается магнитный ток Ф, то магнитное сопротивление
сердечника равно…

сердечника равно…
11 
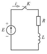
Индуктивная катушка (см. рис.) подключается к идеальному источнику ЭДС Е. Соответствующее ЭДС Е операторное изображение
равно …

Индуктивная катушка (см. рис.) подключается к идеальному источнику ЭДС Е. Соответствующее ЭДС Е операторное изображение
равно …13 
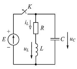
После размыкания ключа характеристическое уравнение цепи имеет различные по значению вещественные корни при условии …

После размыкания ключа характеристическое уравнение цепи имеет различные по значению вещественные корни при условии …
15 
Цепь с параметрами
включается на постоянное напряжение
(см. рис.). Начальные значения токов
и
равны ___ А.

Цепь с параметрами
включается на постоянное напряжение
(см. рис.). Начальные значения токов
и
равны ___ А.
и
равно…
определяет для усилителя…



равно…
соответствует функция времени 

равно …