Сопротивление материалов – страница 64
1 
На рисунке показан болт, нагруженный силой F. Дано:
– допускаемое касательное напряжение на срез головки болта. Минимально допустимая высота головки болта из расчета на срез равна ___ см.

На рисунке показан болт, нагруженный силой F. Дано:
– допускаемое касательное напряжение на срез головки болта. Минимально допустимая высота головки болта из расчета на срез равна ___ см.Материал, механические характеристики которого не зависят от направления, называется …
4 
Имеем две системы координат
и
Отношение статических моментов площади квадрата относительно осей
и
равно …

Имеем две системы координат
и
Отношение статических моментов площади квадрата относительно осей
и
равно …5 
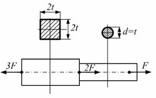
Ступенчатый стержень (см. рисунок) нагружен осевыми силами. Дано:
Максимально допустимое значение параметра F равно ____ МН.

Ступенчатый стержень (см. рисунок) нагружен осевыми силами. Дано:
Максимально допустимое значение параметра F равно ____ МН.6 
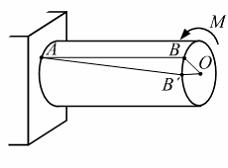
На рисунке показана балка, нагруженная моментом М. Размер l, диаметр d, модуль упругости Е, допускаемое нормальное напряжение
заданы. Из расчета на прочность по допускаемом напряжениям минимально допустимое значение диаметра равно …

На рисунке показана балка, нагруженная моментом М. Размер l, диаметр d, модуль упругости Е, допускаемое нормальное напряжение
заданы. Из расчета на прочность по допускаемом напряжениям минимально допустимое значение диаметра равно …Значения полного и нормального напряжений в точке сечения соответственно равны 10 МПа и 8 МПа. Значение касательного напряжения в этой же точке сечения равно ____ МПа.
8 
На рисунке показана балка круглого поперечного сечения нагруженная моментом М. Известны величины: М, Е, d, l.
Максимальное нормальное напряжение в поперечном сечении балки, по абсолютной величине, равно …

На рисунке показана балка круглого поперечного сечения нагруженная моментом М. Известны величины: М, Е, d, l.
Максимальное нормальное напряжение в поперечном сечении балки, по абсолютной величине, равно …
В поперечном сечении стержня действуют изгибающие моменты
и крутящий момент
Сечение круглое диаметром d. Значение эквивалентного напряжения в опасной точке, по теории удельной потенциальной энергии формоизменения, равно …
и крутящий момент
Сечение круглое диаметром d. Значение эквивалентного напряжения в опасной точке, по теории удельной потенциальной энергии формоизменения, равно …11 
Стержень круглого сечения диаметром d нагружен силой F. Значение эквивалентного напряжения в опасных точках, по теории наибольших касательных напряжений, равно …

Стержень круглого сечения диаметром d нагружен силой F. Значение эквивалентного напряжения в опасных точках, по теории наибольших касательных напряжений, равно …
12 
Схема нагружения рамы внешними силами показана на рисунке. Участок рамы I будет испытывать деформацию кручение, когда значение силы
равно …

Схема нагружения рамы внешними силами показана на рисунке. Участок рамы I будет испытывать деформацию кручение, когда значение силы
равно …13 
Стержень длиной l (см. рисунок) находится под действием собственного веса. Вес стержня Q, площадь поперечного сечения А, модуль упругости материала стержня Е – известны. Продольная линейная деформация в среднем сечении стержня равна …

Стержень длиной l (см. рисунок) находится под действием собственного веса. Вес стержня Q, площадь поперечного сечения А, модуль упругости материала стержня Е – известны. Продольная линейная деформация в среднем сечении стержня равна …


. Углом сдвига является угол …
