Механика (Теория механизмов и машин) – страница 7
Параметр динамической модели, кинетическая энергия которой равна сумме кинетических энергий реально движущихся звеньев, называется …
Если при решении задач силового расчета в число заданных сил входят силы инерции звеньев, то такой расчет называется …
В уравнении для определения КПД зубчатых передач, имеющих один ведущий и один ведомый валы,
отношение работ, совершаемых за цикл (Апс – работа сил полезного сопротивления за время одного цикла;
– работа сил движущих за время одного цикла), можно заменить отношением …
отношение работ, совершаемых за цикл (Апс – работа сил полезного сопротивления за время одного цикла;
– работа сил движущих за время одного цикла), можно заменить отношением …Отношение отрезка на плане механизма (в мм) к числовому значению длины изображаемого звена (в м) называется …
При классификации кинематических пар по числу степеней свободы H используют уравнение
где S – число …
где S – число …К задачам кинематического анализа механизма не относится определение __________ звеньев.
Плоский рычажный механизм, в котором точка на звене, совершающем сложное движение, перемещается при движении механизма по заданной траектории, называется …
Проектирование схемы механизма, на которой указывается стойка, подвижные звенья, виды кинематических пар и их взаимное расположение, называется …
Звено, которому сообщается движение, преобразуемое механизмом в требуемое движение других звеньев, называется …
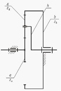
В данной передаче ведомым и ведущим звеном могут быть звенья, обозначенные на рисунке буквой (-ами) …


Движение машины до остановки после выключения двигателя за счет накопленной кинетической энергии называется _____________ и относится к ________________ режиму движения.
Уравнение движения в дифференциальной форме зубчатого механизма с круглыми колесами с постоянным суммарным приведенным моментом инерции J∑ , угловой скоростью ω и передаточным отношением i записывается так J∑ ( / ) = M∑, где M∑ – приведенный момент, а в скобках …
