Электротехника и электроника – страница 49
2 
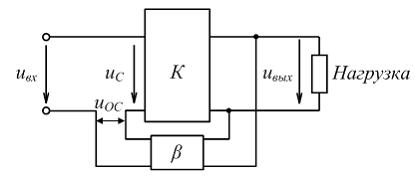
На рисунке изображена структурная схема усилителя с последовательной отрицательной обратной связью по напряжению. Если коэффициент усиления усилителя без обратной связи равен К, то после введения отрицательной обратной связи с коэффициентом передачи цепи обратной связи β коэффициент усиления усилителя __________ раз.

На рисунке изображена структурная схема усилителя с последовательной отрицательной обратной связью по напряжению. Если коэффициент усиления усилителя без обратной связи равен К, то после введения отрицательной обратной связи с коэффициентом передачи цепи обратной связи β коэффициент усиления усилителя __________ раз.
3 
При
на расстоянии
от оси бесконечно длинного круглого провода (см. рис.) величина напряженности магнитного поля 

При
на расстоянии
от оси бесконечно длинного круглого провода (см. рис.) величина напряженности магнитного поля 
5 
В точке А вольт-амперной характеристики нелинейного элемента (см. рис.) статическое сопротивление
равно …

В точке А вольт-амперной характеристики нелинейного элемента (см. рис.) статическое сопротивление
равно …6 
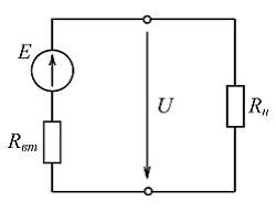
На представленной схеме напряжение U на зажимах источника электрической энергии равно ЭДС Е, если …

На представленной схеме напряжение U на зажимах источника электрической энергии равно ЭДС Е, если …
Конденсатор емкостью
заряженный до напряжения
разряжается на резистор сопротивлением
. Постоянная времени
равна …
заряженный до напряжения
разряжается на резистор сопротивлением
. Постоянная времени
равна …12 
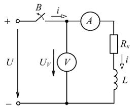
В цепи, собранной для определения активного сопротивления
индуктивной катушки, показанной на рисунке, вольтметр показал
амперметр −
Вольтметр имеет внутреннее сопротивление
В первый момент времени после коммутации значение напряжения
на зажимах вольтметра будет равно ___ кВ.

В цепи, собранной для определения активного сопротивления
индуктивной катушки, показанной на рисунке, вольтметр показал
амперметр −
Вольтметр имеет внутреннее сопротивление
В первый момент времени после коммутации значение напряжения
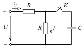
на зажимах вольтметра будет равно ___ кВ.В схеме простейшего генератора пилообразного напряжения конденсатор заряжается через резистор с сопротивлением
и разряжается через элемент с сопротивлением
При этом время зарядки конденсатора будет ___________________ времени его разрядки.
и разряжается через элемент с сопротивлением
При этом время зарядки конденсатора будет ___________________ времени его разрядки.
активная мощность двухполюсника (см. рис.)
равна ___ Вт; реактивная мощность
равна ____ ВАр.

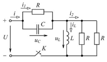
в цепи с параметрами
после замыкания ключа К ток
равен _____ А.
после размыкания ключа напряжение на емкостном элементе
В ветви с индуктивным элементом ток 

то начальное значение тока
после замыкания выключателя В (см. рис.) равно ___ А.

после замыкания ключа начальное значение тока 

в цепи с параметрами
после замыкания ключа ток
равен _____ А.

после замыкания ключа начальное значение напряжения 