Электротехника и электроника (Основы теории цепей) – страница 8
5 
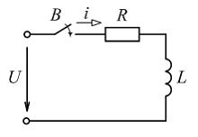
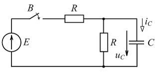
Если
то в первый момент после замыкания выключателя В скорость нарастания тока
в цепи равна ___ А/с.

Если
то в первый момент после замыкания выключателя В скорость нарастания тока
в цепи равна ___ А/с.При комплексно-сопряженных корнях характеристического уравнения
решение для свободной составляющей искомого тока при переходном процессе имеет вид …
решение для свободной составляющей искомого тока при переходном процессе имеет вид …10 
Если постоянная времени цепи
то за время
свободная составляющая тока
уменьшится в ____ раз(а) по сравнению со своим начальным значением.

Если постоянная времени цепи
то за время
свободная составляющая тока
уменьшится в ____ раз(а) по сравнению со своим начальным значением.Свободной составляющей тока при переходном процессе
соответствует график …
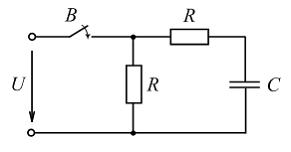
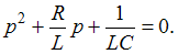
соответствует график …Характеристическое уравнение цепи имеет вид
Переходный процесс в этой цепи будет носить колебательный характер при …
Переходный процесс в этой цепи будет носить колебательный характер при …

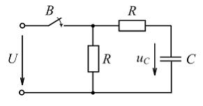
является кривая под номером …
имеет вид …

является кривая под номером …
равна …

то переходное напряжение 

где А – постоянная интегрирования, равная …
переходное напряжение
то переходный ток
равен ____ А.