Электротехника и электроника (Основы теории цепей) – страница 31
1 
На рисунке изображено поперечное сечение коаксиального кабеля. На цилиндрической поверхности радиуса r напряженность электрического поля
равна …

На рисунке изображено поперечное сечение коаксиального кабеля. На цилиндрической поверхности радиуса r напряженность электрического поля
равна …4 
На рисунке изображено поперечное сечение коаксиального кабеля с плотностью тока утечки через несовершенную изоляцию
Напряжение между прямым и обратным проводами отрезка кабеля длиной l равно …

На рисунке изображено поперечное сечение коаксиального кабеля с плотностью тока утечки через несовершенную изоляцию

Напряжение между прямым и обратным проводами отрезка кабеля длиной l равно …
5 
В изображенной цепи сопротивление диода в прямом
и обратном
направлениях равны
и
соответственно. При
зависимости
соответствует характеристика …

В изображенной цепи сопротивление диода в прямом
и обратном
направлениях равны
и
соответственно. При
зависимости
соответствует характеристика …Вектор электрического смещения
равен …
равен …11 
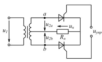
При среднем значении тока нагрузки
(см. рисунок) средние значения прямых токов
и
диодов равны ___ мА.

При среднем значении тока нагрузки
(см. рисунок) средние значения прямых токов
и
диодов равны ___ мА.12 
Движением основных носителей заряда определяется (см. рисунок) ток на участке ______ вольт-амперной характеристики р–п-перехода.

Движением основных носителей заряда определяется (см. рисунок) ток на участке ______ вольт-амперной характеристики р–п-перехода.
У трансформаторов при изменении тока
от нуля до
напряжение
на вторичной обмотке изменяется на ___ %.
от нуля до
напряжение
на вторичной обмотке изменяется на ___ %.
вектор напряженности электрического поля
равен ____ 
и
справедливы …
плоской волне векторы
и
не зависят от …


структуры тиристора, называют …
