Сопротивление материалов – страница 67
1 
На балку установлен электродвигатель (см. рисунок) весом
в котором имеется несбалансированная вращающаяся масса. Длина балки
поперечное сечение состоит из двух швеллеров №8 с общим моментом сопротивления
Круговая частота изменений возмущающей силы
круговая частота собственных колебаний
максимальное значение возмущающей силы
заданы. Массу балки в расчетах не учитывать.
Среднее напряжение и амплитуда цикла нормальных напряжений в самых напряженных точках балки:


На балку установлен электродвигатель (см. рисунок) весом
в котором имеется несбалансированная вращающаяся масса. Длина балки
поперечное сечение состоит из двух швеллеров №8 с общим моментом сопротивления
Круговая частота изменений возмущающей силы
круговая частота собственных колебаний
максимальное значение возмущающей силы
заданы. Массу балки в расчетах не учитывать.Среднее напряжение и амплитуда цикла нормальных напряжений в самых напряженных точках балки:

2 
На абсолютно жесткий элемент CD, подвешенный на двух стержнях, установлен электродвигатель весом F, в котором имеется несбалансированная вращающаяся масса. Величины
заданы. Выражение для числа оборотов в минуту электродвигателя, при котором наступает резонанс, имеет вид … Массу элемента CD и стержней в расчетах не учитывать.

На абсолютно жесткий элемент CD, подвешенный на двух стержнях, установлен электродвигатель весом F, в котором имеется несбалансированная вращающаяся масса. Величины
заданы. Выражение для числа оборотов в минуту электродвигателя, при котором наступает резонанс, имеет вид … Массу элемента CD и стержней в расчетах не учитывать.4 
На рисунке показан абсолютно жесткий элемент ВС подвешенный на двух стержнях. На систему с высотой h падает груз весом F. Размер l, модуль упругости материала Е и площадь поперечного сечения А стержней заданы. Если модуль упругости увеличить в два раза, то динамические продольные силы в стержнях …
При определении величины динамического коэффициента использовать приближенную формулу

На рисунке показан абсолютно жесткий элемент ВС подвешенный на двух стержнях. На систему с высотой h падает груз весом F. Размер l, модуль упругости материала Е и площадь поперечного сечения А стержней заданы. Если модуль упругости увеличить в два раза, то динамические продольные силы в стержнях …
При определении величины динамического коэффициента использовать приближенную формулу

6 

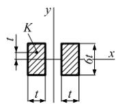
На балку, состоящую из двух одинаковых брусков (см. рисунок), установлен электродвигатель весом F, с числом оборотов
, в котором имеется несбалансированная вращающаяся масса. Известны величины: размеры l и t, модуль упругости материала Е, наибольшая величина возмущающей силы
При установившемся режиме работы среднее напряжение цикла нормальных напряжений в точке К сечения С-С имеет значение …


На балку, состоящую из двух одинаковых брусков (см. рисунок), установлен электродвигатель весом F, с числом оборотов
, в котором имеется несбалансированная вращающаяся масса. Известны величины: размеры l и t, модуль упругости материала Е, наибольшая величина возмущающей силы
При установившемся режиме работы среднее напряжение цикла нормальных напряжений в точке К сечения С-С имеет значение …7

Груз весом F падает на балку с высоты h. Модуль упругости материала балки Е задан. При повороте поперечного сечения из положения а в положение б максимальные динамические напряжения …
Динамический коэффициент определять по приближенной формуле

Груз весом F падает на балку с высоты h. Модуль упругости материала балки Е задан. При повороте поперечного сечения из положения а в положение б максимальные динамические напряжения …
Динамический коэффициент определять по приближенной формуле

8 
Симметричная рама I (см. рисунок) постоянного поперечного сечения равномерно вращается вокруг оси CD с угловой скоростью
Площадь поперечного сечения рамы А и вес единицы объема материала рамы
известны. Расчет проводить по недеформированной схеме.
Распределение сил инерции показано на рисунке …

Симметричная рама I (см. рисунок) постоянного поперечного сечения равномерно вращается вокруг оси CD с угловой скоростью
Площадь поперечного сечения рамы А и вес единицы объема материала рамы
известны. Расчет проводить по недеформированной схеме.Распределение сил инерции показано на рисунке …
Коэффициент запаса усталостной прочности детали по нормальным напряжениям, изменяющимся по несимметричному циклу, вычисляется по формуле …
10 
Стержень CD длиной l, с постоянной площадью поперечного сечения А равномерно вращается вокруг вертикальной оси с угловой скоростью
. Вес единицы объема материала стержня
Эпюра продольной силы для стержня имеет вид …

Стержень CD длиной l, с постоянной площадью поперечного сечения А равномерно вращается вокруг вертикальной оси с угловой скоростью
. Вес единицы объема материала стержня
Эпюра продольной силы для стержня имеет вид …11 
На раму с высоты h падает груз весом F. Размеры l и t, допускаемое нормальное напряжение
, модуль упругости Е заданы. Условие прочности для рамы имеет вид …
При определении динамического коэффициента использовать приближенную формулу
Продольную силу в расчетах не учитывать.

На раму с высоты h падает груз весом F. Размеры l и t, допускаемое нормальное напряжение
, модуль упругости Е заданы. Условие прочности для рамы имеет вид …При определении динамического коэффициента использовать приближенную формулу
Продольную силу в расчетах не учитывать.12 
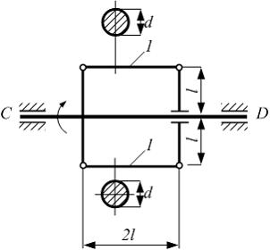
Система, показанная на рисунке, равномерно вращается вокруг оси CD с угловой скоростью
Размер l, диаметр d, допускаемое нормальное напряжение
и вес единицы объема материала
для стержней 1 заданы. Условие прочности для стержней 1 имеет вид …
В расчете учесть весовую и инерционную нагрузку на стержни 1.

Система, показанная на рисунке, равномерно вращается вокруг оси CD с угловой скоростью
Размер l, диаметр d, допускаемое нормальное напряжение
и вес единицы объема материала
для стержней 1 заданы. Условие прочности для стержней 1 имеет вид …В расчете учесть весовую и инерционную нагрузку на стержни 1.
При горизонтальном ударе, без учета массы ударяемой системы, величина динамического коэффициента определяется по формуле
где
– …
где
– …14 
На балке установлен электродвигатель , который имеет несбалансированную вращающуюся массу. При установившемся режиме его работы известны: максимальное нормальное напряжение в балке от веса электродвигателя
максимальное нормальное напряжение в балке от максимального значения возмущающий силы приложенной статически
величина динамического коэффициента
Условие прочности балки по допускаемым напряжениям имеет вид …

На балке установлен электродвигатель , который имеет несбалансированную вращающуюся массу. При установившемся режиме его работы известны: максимальное нормальное напряжение в балке от веса электродвигателя
максимальное нормальное напряжение в балке от максимального значения возмущающий силы приложенной статически
величина динамического коэффициента
Условие прочности балки по допускаемым напряжениям имеет вид …15 
На рисунке показана упрощенная диаграмма предельных амплитуд. Статическому нагружению образца соответствует точка …

На рисунке показана упрощенная диаграмма предельных амплитуд. Статическому нагружению образца соответствует точка …
