Сопротивление материалов – страница 57
4 
Схема нагружения стержня силами F и
показана на рисунке. Поперечное сечение – равнобедренный треугольник с размером основания b и высотой h. При смене направления силы
на противоположное максимальное растягивающее напряжение в поперечном сечении стержня …

Схема нагружения стержня силами F и
показана на рисунке. Поперечное сечение – равнобедренный треугольник с размером основания b и высотой h. При смене направления силы
на противоположное максимальное растягивающее напряжение в поперечном сечении стержня …5 
Точка К деформируемого тела перемещается в плоскости xoy. Полное перемещение равно 5 мм. В направлении оси y точка переместилась на величину 3 мм. Перемещение точки в направлении оси x равно ____ мм.

Точка К деформируемого тела перемещается в плоскости xoy. Полное перемещение равно 5 мм. В направлении оси y точка переместилась на величину 3 мм. Перемещение точки в направлении оси x равно ____ мм.
6 

Наибольшая величина эквивалентного напряжения по теории удельной потенциальной энергии формоизменения имеет место для напряженного состояния …


Наибольшая величина эквивалентного напряжения по теории удельной потенциальной энергии формоизменения имеет место для напряженного состояния …
7 
На рисунке показана тонкостенная трубка, работающая на кручение, и элемент стенки трубки, выделенный двумя поперечными и двумя осевыми сечениями. Главными площадками является(-ются) грань(-и) …

На рисунке показана тонкостенная трубка, работающая на кручение, и элемент стенки трубки, выделенный двумя поперечными и двумя осевыми сечениями. Главными площадками является(-ются) грань(-и) …
9 
Колонна высотой h (см. рисунок) находится под действием силы F, приложенной в центре тяжести поперечного сечения, и собственного веса. Удельный вес материала колонны γ (вес единицы объема), площадь поперечного сечения А – известны. Эпюра продольной силы имеет вид …

Колонна высотой h (см. рисунок) находится под действием силы F, приложенной в центре тяжести поперечного сечения, и собственного веса. Удельный вес материала колонны γ (вес единицы объема), площадь поперечного сечения А – известны. Эпюра продольной силы имеет вид …
10 
На стержень действует равномерно распределенная нагрузка с интенсивностью q (см. рисунок). Заданы величины:
– допустимая величина удлинения стержня. Максимально допустимое значение интенсивности распределенной нагрузки равно …

На стержень действует равномерно распределенная нагрузка с интенсивностью q (см. рисунок). Заданы величины:
– допустимая величина удлинения стержня. Максимально допустимое значение интенсивности распределенной нагрузки равно …11 
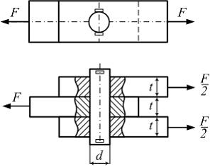
Три металлические полосы (см. рисунок) соединены штифтом.
– значение допускаемого касательного напряжения на срез для материала штифта. Условие прочности штифта на срез имеет вид …

Три металлические полосы (см. рисунок) соединены штифтом.
– значение допускаемого касательного напряжения на срез для материала штифта. Условие прочности штифта на срез имеет вид …12 
На рисунке показан стержень, работающий по кручение. Известны величины:
– допускаемое касательное напряжение. Из расчета на прочность по допускаемым касательным напряжениям минимально допустимый диаметр стержня равен ____ см.

На рисунке показан стержень, работающий по кручение. Известны величины:
– допускаемое касательное напряжение. Из расчета на прочность по допускаемым касательным напряжениям минимально допустимый диаметр стержня равен ____ см.Система канонических уравнений метода сил имеет вид
Левая часть каждого уравнения это перемещение в направлении i-ой отброшенной связи, вызванное …
Левая часть каждого уравнения это перемещение в направлении i-ой отброшенной связи, вызванное …15 
Стержень длиной
круглого сечения диаметром
сжимается силой F. Материал Ст.3 с характеристиками: предел пропорциональности
предел текучести
модуль упругости
Значение критического напряжения равно ____ МПа.

Стержень длиной
круглого сечения диаметром
сжимается силой F. Материал Ст.3 с характеристиками: предел пропорциональности
предел текучести
модуль упругости
Значение критического напряжения равно ____ МПа.




и
справедливо неравенство (равенство) …

Статические моменты площади:


