Сопротивление материалов – страница 55
4

Поперечное сечение стержня, составленое из двух равнобоких уголков и прямоугольника, показано на рисунке. Характеристики поперечного сечения уголка известны. Осевой момент инерции сечения относительно оси x равен ___ см4.

Поперечное сечение стержня, составленое из двух равнобоких уголков и прямоугольника, показано на рисунке. Характеристики поперечного сечения уголка известны. Осевой момент инерции сечения относительно оси x равен ___ см4.
Максимальные касательные напряжения в балке прямоугольного сечения, когда форма и размеры поперечного сечения по длине не меняются, возникают в точках поперечного сечения, в котором …
6 
Две балки одинакового поперечного сечения изготовлены из одного материала и нагружены равномерно распределенной нагрузкой с интенсивностью q. Балки будут равнопрочны, когда длина консоли
равна _____. Влиянием касательных напряжений пренебречь.

Две балки одинакового поперечного сечения изготовлены из одного материала и нагружены равномерно распределенной нагрузкой с интенсивностью q. Балки будут равнопрочны, когда длина консоли
равна _____. Влиянием касательных напряжений пренебречь.7 
Эпюра изгибающих моментов показана на рисунке. Неверным является утверждение, что поперечная сила …

Эпюра изгибающих моментов показана на рисунке. Неверным является утверждение, что поперечная сила …
Для вычисления интегралов Мора способом Верещагина, в случае плоского изгиба, без учета влияния поперечных сил, используется формула
Произведение
– величина …
Произведение
– величина …10 
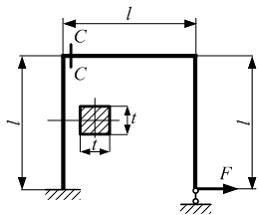
На рисунке показана рама с постоянным по контуру квадратным поперечным сечением, нагруженная силой F. Модуль упругости материала Е. Максимальное нормальное напряжение в сечении С-С рамы, вызванное изгибающим моментом, равно …

На рисунке показана рама с постоянным по контуру квадратным поперечным сечением, нагруженная силой F. Модуль упругости материала Е. Максимальное нормальное напряжение в сечении С-С рамы, вызванное изгибающим моментом, равно …
11 
На рисунке показан стержень растянутый силами F. Заданы величины: F, A – площадь поперечного сечения,
– коэффициент Пуассона, Е – модуль упругости. Главные деформации
в произвольной точке стержня соответственно равны …

На рисунке показан стержень растянутый силами F. Заданы величины: F, A – площадь поперечного сечения,
– коэффициент Пуассона, Е – модуль упругости. Главные деформации
в произвольной точке стержня соответственно равны …13 
Правый конец балки (см. рисунок) должен быть закреплен так, чтобы сечение С не перемещалось вдоль координатных осей z и y и не поворачивалось в плоскости zy. Опора, отвечающая таким требованиям, называется …

Правый конец балки (см. рисунок) должен быть закреплен так, чтобы сечение С не перемещалось вдоль координатных осей z и y и не поворачивалось в плоскости zy. Опора, отвечающая таким требованиям, называется …
В естественном состоянии (при отсутствии внешних сил) между частицами материала действуют силы взаимодействия, которые …




