Сопротивление материалов – страница 47
Для того чтобы перемещения отдельных точек конструкции не превышали определенных наперед заданных величин, конструкция должна обладать свойством …
2 
В процессе деформации точки А, В, С деформируемого тела перемещаются в плоскости xoy и занимают положения
. Прямолинейные отрезки АВ и АС поворачиваются на углы
и
Угловая деформация в точке А между направлениями АВ и АС, когда длины отрезков стремятся к нулю, равна …

В процессе деформации точки А, В, С деформируемого тела перемещаются в плоскости xoy и занимают положения
. Прямолинейные отрезки АВ и АС поворачиваются на углы
и
Угловая деформация в точке А между направлениями АВ и АС, когда длины отрезков стремятся к нулю, равна …3 
Стержень растянут осевыми силами (см. рисунок). Задана допустимая величина нормального напряжения
для материала стержня. Условие прочности имеет вид …

Стержень растянут осевыми силами (см. рисунок). Задана допустимая величина нормального напряжения
для материала стержня. Условие прочности имеет вид …5 
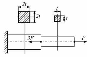
Ступенчатый стержень нагружен осевыми силами. Известны:
– допускаемое напряжение на растяжение,
– допускаемое напряжение на сжатие, линейный размер
Максимально допустимое значение параметра F равно ______ МН.

Ступенчатый стержень нагружен осевыми силами. Известны:
– допускаемое напряжение на растяжение,
– допускаемое напряжение на сжатие, линейный размер
Максимально допустимое значение параметра F равно ______ МН.Для определения продольной силы в поперечном сечении стержня используется метод …
7 
При определении модуля упругости материала Е используется образец в виде узкой полосы растягиваемой силами F (см. рисунок). Для измерения продольной деформации к образцу крепятся не один, а два тензометра А и В с целью …

При определении модуля упругости материала Е используется образец в виде узкой полосы растягиваемой силами F (см. рисунок). Для измерения продольной деформации к образцу крепятся не один, а два тензометра А и В с целью …
8 
Левый конец стержня АВ (см. рисунок) жестко защемлен, правый установлен в подшипнике скольжения. Элемент ВС абсолютно жесткий. Известны величины: l,
– жесткость поперечного сечения стержня АВ на кручение,
– допускаемая величина вертикального перемещения точки С. Максимально допустимое значение силы F равно …

Левый конец стержня АВ (см. рисунок) жестко защемлен, правый установлен в подшипнике скольжения. Элемент ВС абсолютно жесткий. Известны величины: l,
– жесткость поперечного сечения стержня АВ на кручение,
– допускаемая величина вертикального перемещения точки С. Максимально допустимое значение силы F равно …9 
На деревянную деталь действует сила F (см. рисунок). При некотором значении силы происходит скалывание элемента abdс.
Известны величины:
– предел прочности при скалывании вдоль волокон. Значение силы F в момент скалывания определяется выражением …

На деревянную деталь действует сила F (см. рисунок). При некотором значении силы происходит скалывание элемента abdс.
Известны величины:
– предел прочности при скалывании вдоль волокон. Значение силы F в момент скалывания определяется выражением …Деревянная балка прямоугольного сечения шириной
высотой
изогнута на дуге окружности радиусом 40 м. Модуль упругости дерева
Максимальное напряжение в балке равно ____ МПа.
высотой
изогнута на дуге окружности радиусом 40 м. Модуль упругости дерева
Максимальное напряжение в балке равно ____ МПа.11 
Консольная балка длиной l нагружена моментом М. Значение допускаемого нормального напряжения
известно. Из расчета на прочность по нормальные напряжениям минимально допустимое значение диаметра поперечного сечения d равно …

Консольная балка длиной l нагружена моментом М. Значение допускаемого нормального напряжения
известно. Из расчета на прочность по нормальные напряжениям минимально допустимое значение диаметра поперечного сечения d равно …13

Стержень длиной l квадратного сечения со стороной b нагружен как показано на рисунке. В точке «К», поперечного сечения расположенного вблизи заделки, напряженное состояние показано на схеме …

Стержень длиной l квадратного сечения со стороной b нагружен как показано на рисунке. В точке «К», поперечного сечения расположенного вблизи заделки, напряженное состояние показано на схеме …

