Сопротивление материалов – страница 42
Материал, у которого при переходе от одной точки к другой свойства не изменяются, называется …
5 
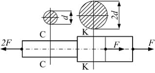
Стержень круглого сечения диаметром d нагружен внешними силами. Значение максимального нормального напряжения в поперечном сечении стержня равно …

Стержень круглого сечения диаметром d нагружен внешними силами. Значение максимального нормального напряжения в поперечном сечении стержня равно …
6 
Стержень прямоугольного сечения с размерами b и 2b нагружен силами
и
Стержень работает на чистый косой изгиб, когда значение силы
равно …

Стержень прямоугольного сечения с размерами b и 2b нагружен силами
и
Стержень работает на чистый косой изгиб, когда значение силы
равно …7 
Стержень квадратного сечения со стороной b нагружен моментами. Значение эквивалентного напряжения в опасных точках, по теории наибольших касательных напряжений, равно _________. При решении принять

Стержень квадратного сечения со стороной b нагружен моментами. Значение эквивалентного напряжения в опасных точках, по теории наибольших касательных напряжений, равно _________. При решении принять

8

Вид образца после испытаний показан на рисунке. По форме образца и характеру разрушения можно сказать, что испытание проводилось по варианту …

Вид образца после испытаний показан на рисунке. По форме образца и характеру разрушения можно сказать, что испытание проводилось по варианту …
10 
Эпюра распределения касательных напряжений по высоте прямоугольного поперечного сечения балки показана на схеме …

Эпюра распределения касательных напряжений по высоте прямоугольного поперечного сечения балки показана на схеме …
11 
На рисунке показана отсеченная часть балки и нагрузка, действующая на нее. Неверным является утверждение, что поперечная сила …

На рисунке показана отсеченная часть балки и нагрузка, действующая на нее. Неверным является утверждение, что поперечная сила …
12 
Консольная балка длиной
нагружена силой F. Сечение прямоугольное с размерами b и h. В сечении I-I максимальное нормальное напряжение равно
Предел текучести для материала балки
задан. Коэффициент запаса прочности по нормальным напряжениям равен …

Консольная балка длиной
нагружена силой F. Сечение прямоугольное с размерами b и h. В сечении I-I максимальное нормальное напряжение равно
Предел текучести для материала балки
задан. Коэффициент запаса прочности по нормальным напряжениям равен …13 
Схема нагружения рамы показана на рисунке. Первый участок испытывает ____________, второй ____________.

Схема нагружения рамы показана на рисунке. Первый участок испытывает ____________, второй ____________.
14 
Стержень круглого сечения диаметром
длиной
нагружен силой F. Значение эквивалентного напряжения в опасной точке стержня, по теории удельной потенциальной энергии формоизменения, равно …

Стержень круглого сечения диаметром
длиной
нагружен силой F. Значение эквивалентного напряжения в опасной точке стержня, по теории удельной потенциальной энергии формоизменения, равно …
