Сопротивление материалов – страница 4
2 
На рисунке показан вал, скручиваемый моментами
Величины
и
известны. Если
− допустимый угол закручивания, то максимальное касательное напряжение в поперечном сечении вала равно …

На рисунке показан вал, скручиваемый моментами
Величины
и
известны. Если
− допустимый угол закручивания, то максимальное касательное напряжение в поперечном сечении вала равно …3 
На рисунке показан стержень, нагруженный тремя моментами. Величины
известны. Фактический коэффициент запаса прочности из расчета по напряжениям равен …

На рисунке показан стержень, нагруженный тремя моментами. Величины
известны. Фактический коэффициент запаса прочности из расчета по напряжениям равен …4 
Напряженное состояние «чистый сдвиг» показано на рисунке. Штриховыми линиями показан характер деформации. Углом сдвига называется угол …

Напряженное состояние «чистый сдвиг» показано на рисунке. Штриховыми линиями показан характер деформации. Углом сдвига называется угол …
5 
Консоль на половине длины нагружена равномерно распределенной нагрузкой интенсивности
Модуль упругости материала балки
размер
Прогиб на свободном конце консоли не должен превышать 
Из условия жесткости диаметр поперечного сечения d равен ____ (см).

Консоль на половине длины нагружена равномерно распределенной нагрузкой интенсивности
Модуль упругости материала балки
размер
Прогиб на свободном конце консоли не должен превышать 
Из условия жесткости диаметр поперечного сечения d равен ____ (см).
6 
Двухпролетная консольная балка с шарниром нагружена силой
Линейный размер
. Максимальное значение изгибающего момента в балке по абсолютной величине равно … (кНм)

Двухпролетная консольная балка с шарниром нагружена силой
Линейный размер
. Максимальное значение изгибающего момента в балке по абсолютной величине равно … (кНм)7 
Консольная балка прямоугольного сечения с размерами b и h нагружена силами F. Линейный размер
. Отношение максимального нормального напряжения к максимальному касательному напряжению в балке
равно …

Консольная балка прямоугольного сечения с размерами b и h нагружена силами F. Линейный размер
. Отношение максимального нормального напряжения к максимальному касательному напряжению в балке
равно …При плоском изгибе максимальные нормальные напряжения действуют в точках поперечного сечения, …
Выражение
является условием …
является условием …10 
Условие прочности по допускаемым напряжениям для ступенчатого вала, изображенного на рисунке, имеет вид ____. Значения М, d и
заданы.

Условие прочности по допускаемым напряжениям для ступенчатого вала, изображенного на рисунке, имеет вид ____. Значения М, d и
заданы.11 
На рисунке показан стержень, загруженный двумя силами F.
– допустимое перемещение сечения С задано. Величины: Е, А, L – известны. Максимально допустимое значение силы F равно …

На рисунке показан стержень, загруженный двумя силами F.
– допустимое перемещение сечения С задано. Величины: Е, А, L – известны. Максимально допустимое значение силы F равно …14 
Плоскость действия изгибающего момента в поперечном сечении стержня показана на рисунке. Примерное положение нейтральной линии в данном сечении совпадает с прямой …

Плоскость действия изгибающего момента в поперечном сечении стержня показана на рисунке. Примерное положение нейтральной линии в данном сечении совпадает с прямой …
15 
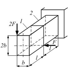
На стержень действуют внешние силы F и 2F. Сечение прямоугольное с размерами b и 2b. Участки стержня испытывают:
а) 1 – кручение, 2 – косой изгиб;
б) 1 – плоский поперечный изгиб, 2 – кручение и плоский поперечный изгиб;
в) 1 – кручение и плоский поперечный изгиб, 2 – косой изгиб;
г) 1 – кручение и плоский поперечный изгиб, 2 – кручение и косой изгиб.

На стержень действуют внешние силы F и 2F. Сечение прямоугольное с размерами b и 2b. Участки стержня испытывают:
а) 1 – кручение, 2 – косой изгиб;
б) 1 – плоский поперечный изгиб, 2 – кручение и плоский поперечный изгиб;
в) 1 – кручение и плоский поперечный изгиб, 2 – косой изгиб;
г) 1 – кручение и плоский поперечный изгиб, 2 – кручение и косой изгиб.

в два раза диаметр стержня необходимо …