Сопротивление материалов – страница 13
1 
Для стержня круглого поперечного сечения диаметром d, схема которого изображена на рисунке, абсолютное укорочение
равно _______ . Модуль упругости материала Е задан.

Для стержня круглого поперечного сечения диаметром d, схема которого изображена на рисунке, абсолютное укорочение
равно _______ . Модуль упругости материала Е задан.2 
Труба скручивается двумя моментами. Величины М и
заданы. Минимально допустимое значение параметра d из расчета на прочность по допускаемым напряжениям равно …

Труба скручивается двумя моментами. Величины М и
заданы. Минимально допустимое значение параметра d из расчета на прочность по допускаемым напряжениям равно …3 
Стержень скручивается двумя моментами (см. рисунок).

Из расчетов на прочность и жесткость максимально допустимая величина момента М равна ____

Стержень скручивается двумя моментами (см. рисунок).

Из расчетов на прочность и жесткость максимально допустимая величина момента М равна ____

4 
Схема нагружения фермы показана на рисунке. Допускаемое напряжение
[s] = 160 МПа. Диаметры поперечных сечений стержней d1 и d2 в мм равны …

Схема нагружения фермы показана на рисунке. Допускаемое напряжение
[s] = 160 МПа. Диаметры поперечных сечений стержней d1 и d2 в мм равны …
5 
Схема нагружения консольной балки показана на рисунке. При изменении направления сосредоточенной силы F на противоположное значение максимального (по абсолютной величине) изгибающего момента …

Схема нагружения консольной балки показана на рисунке. При изменении направления сосредоточенной силы F на противоположное значение максимального (по абсолютной величине) изгибающего момента …
6 
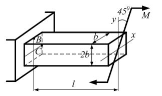
Стержень прямоугольного сечения с размерами b и 2b, длиной l нагружен моментом М. Плоскость действия момента расположена под углом
к главным центральным осям сечения. Отношение значений нормальных напряжений в точках В и С равно …

Стержень прямоугольного сечения с размерами b и 2b, длиной l нагружен моментом М. Плоскость действия момента расположена под углом
к главным центральным осям сечения. Отношение значений нормальных напряжений в точках В и С равно …7 
Напряжение в точке К опасного поперечного сечения вала (см. рисунок) равно
. Предел текучести материала вала при сдвиге
. Фактический коэффициент запаса прочности для вала равен …

Напряжение в точке К опасного поперечного сечения вала (см. рисунок) равно
. Предел текучести материала вала при сдвиге
. Фактический коэффициент запаса прочности для вала равен …8 
Стержень длиной
прямоугольного сечения с размерами
нагружен силой F, лежащей в плоскости сечения. Значение нормального напряжения в точке А равно …

Стержень длиной
прямоугольного сечения с размерами
нагружен силой F, лежащей в плоскости сечения. Значение нормального напряжения в точке А равно …10 
Ступенчатый стержень нагружен силой F. Линейный размер b задан. Значение максимального нормального напряжения в стержне равно …

Ступенчатый стержень нагружен силой F. Линейный размер b задан. Значение максимального нормального напряжения в стержне равно …
11 
Стальной лист с четырьмя отверстиями диаметром
растягивается силами
. Ширина листа
, допускаемое напряжение
Минимально возможная толщина листа
равна _________ см. Концентрацию напряжений не учитывать.

Стальной лист с четырьмя отверстиями диаметром
растягивается силами
. Ширина листа
, допускаемое напряжение
Минимально возможная толщина листа
равна _________ см. Концентрацию напряжений не учитывать.13 
Однопролетная балка ВС длиной
нагружена силой F и моментом М. Поперечная сила в сечении I–I будет равна нулю, если значение М равно …

Однопролетная балка ВС длиной
нагружена силой F и моментом М. Поперечная сила в сечении I–I будет равна нулю, если значение М равно …При кручении стержня круглого поперечного сечения внутренние силы в поперечном сечении приводятся к …
15 
Два вала диаметрами
соединены между собой с помощью муфты, состоящей из втулки и двух штифтов диаметрами
Соединение передает крутящий момент, равный М. При некотором значении М возможен срез штифтов по сечениям, которые обозначены волнистыми линиями. Значения М,
известны. Минимально допустимый диаметр штифта
из условия прочности на срез равен …

Два вала диаметрами
соединены между собой с помощью муфты, состоящей из втулки и двух штифтов диаметрами
Соединение передает крутящий момент, равный М. При некотором значении М возможен срез штифтов по сечениям, которые обозначены волнистыми линиями. Значения М,
известны. Минимально допустимый диаметр штифта
из условия прочности на срез равен …