Сопротивление материалов – страница 11
Материал полностью заполняет объем тела и имеет беспустотную, бездефектную структуру. Данная гипотеза называется гипотезой …
7 
Схема нагружения стержня круглого поперечного сечения показана на рисунке. Участок стержня
испытывает …

Схема нагружения стержня круглого поперечного сечения показана на рисунке. Участок стержня
испытывает …8 
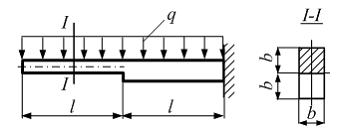
На консольную ступенчатую балку длиной
действует равномерно распределенная нагрузка интенсивности q. Поперечное сечение левой ступени – квадрат с размерами
правая – имеет прямоугольное сечение с размерами
и
. Максимальное значение нормального напряжения в балке равно …
(Концентрацию напряжений не учитывать).

На консольную ступенчатую балку длиной
действует равномерно распределенная нагрузка интенсивности q. Поперечное сечение левой ступени – квадрат с размерами
правая – имеет прямоугольное сечение с размерами
и
. Максимальное значение нормального напряжения в балке равно …(Концентрацию напряжений не учитывать).
9 
Однопролетная деревянная балка длиной
нагружена равномерно распределенной нагрузкой интенсивности q. Диаметр поперечного сечения
Значение допускаемого нормального напряжения
Из расчета на прочность по нормальным напряжениям максимально допустимое значение интенсивности нагрузки q равно ____ 

Однопролетная деревянная балка длиной
нагружена равномерно распределенной нагрузкой интенсивности q. Диаметр поперечного сечения
Значение допускаемого нормального напряжения
Из расчета на прочность по нормальным напряжениям максимально допустимое значение интенсивности нагрузки q равно ____ 
10 
Балка длиной 2l нагружена моментами
и
. Жесткость поперечного сечения балки на изгиб
по длине постоянна. Прогиб свободного конца балки равен нулю, если отношение
равно …

Балка длиной 2l нагружена моментами
и
. Жесткость поперечного сечения балки на изгиб
по длине постоянна. Прогиб свободного конца балки равен нулю, если отношение
равно …Если растягиваемый образец разрушается при остаточной деформации, меньшей
, то материал образца …
, то материал образца …Способность элементов конструкции сопротивляться внешним нагрузкам в отношении изменения формы и размеров называется …
14 
Стержень квадратного поперечного сечения с размерами
нагружен силой F. Значение эквивалентного напряжения в опасной точке, по теории наибольших касательных напряжений, равно ___ . При решении принять 

Стержень квадратного поперечного сечения с размерами
нагружен силой F. Значение эквивалентного напряжения в опасной точке, по теории наибольших касательных напряжений, равно ___ . При решении принять 
15 
На рисунке показан стержень, растянутый силами
. Равномерный характер распределения нормальных напряжений по площади поперечных сечений (расположенных вдали от точек приложения сил) является следствием …

На рисунке показан стержень, растянутый силами
. Равномерный характер распределения нормальных напряжений по площади поперечных сечений (расположенных вдали от точек приложения сил) является следствием …