Механика (Детали машин и основы конструирования) – страница 33
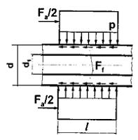
Для соединения с натягом при действии внешней осевой силы
, давлении
и коэффициенте трения
условие несдвигаемости …

, давлении
и коэффициенте трения
условие несдвигаемости …
Передаточное число u механической передачи при известных диаметрах зубчатых колес
и
может быть рассчитано по формуле …

и
может быть рассчитано по формуле …
На рисунках изображены компенсирующие муфты: А – пальцевая с металлическими дисками, Б – торовая, В – втулочно-пальцевая, Г – цепная. Радиальные смещения валов не может компенсировать муфта, показанная на рисунке …


Целью выполнения расчета для подшипника скольжения по определению условного давления
, где
– радиальная нагрузка,
– диаметр и длина, является …
, где
– радиальная нагрузка,
– диаметр и длина, является …Составные части машин, изготовленные без использования сборочных операций, называются …
Компонование конструкции, согласование проектных расчетных и конструктивных решений выполняется на стадии …
Соединения с коническими штифтами по сравнению с соединениями с цилиндрическими штифтами …


