Электротехника и электроника – страница 7
Активную мощность синхронного генератора, подключенного к энергосистеме, регулируют изменением …
8 
В изображенной магнитной цепи магнитное сопротивление воздушного зазора
магнитное сопротивление ферромагнитного участка 

В изображенной магнитной цепи магнитное сопротивление воздушного зазора
магнитное сопротивление ферромагнитного участка 
9 
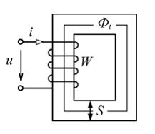
Если в идеализированной катушке с магнитопроводом из ферромагнитного материала при неизменных прочих условиях увеличить вдвое число витков
катушки, то амплитуда магнитного потока
…

Если в идеализированной катушке с магнитопроводом из ферромагнитного материала при неизменных прочих условиях увеличить вдвое число витков
катушки, то амплитуда магнитного потока
…13 
Два нелинейных элемента, вольт-амперные характеристики которых (1 и 2) изображены на рисунке, соединены последовательно. Напряжение на первом элементе равно 200 В. Напряжение на втором элементе равно ___ В.

Два нелинейных элемента, вольт-амперные характеристики которых (1 и 2) изображены на рисунке, соединены последовательно. Напряжение на первом элементе равно 200 В. Напряжение на втором элементе равно ___ В.





источники электроэнергии работают …
, то при
сопротивление 
