Электротехника и электроника – страница 56
При нулевых начальных условиях напряжению на индуктивном элементе соответствует операторное изображение 

3 
При нулевых начальных условиях индуктивному элементу соответствует операторная эквивалентная схема …

При нулевых начальных условиях индуктивному элементу соответствует операторная эквивалентная схема …
4 
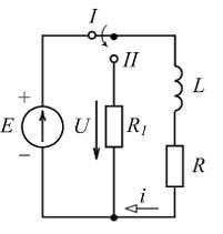
Катушка с параметрами
мгновенно отключается от источника с ЭДС
и замыкается на резистор
(см. рис.). Через
после отключения катушки значение переходного тока в ней
равно ___ А.

Катушка с параметрами
мгновенно отключается от источника с ЭДС
и замыкается на резистор
(см. рис.). Через
после отключения катушки значение переходного тока в ней
равно ___ А.5 
При ненулевых начальных условиях емкостному элементу соответствует операторная эквивалентная схема на рисунке …

При ненулевых начальных условиях емкостному элементу соответствует операторная эквивалентная схема на рисунке …
При нулевых начальных условиях напряжению на емкостном элементе
соответствует операторное изображение 
соответствует операторное изображение 
Равенство
выражает …
выражает …9 При ненулевых начальных условиях напряжению на индуктивном элементе соответствует операторное изображение 

10 При ненулевых начальных условиях напряжению на емкостном элементе
соответствует операторное изображение 
соответствует операторное изображение 
12 
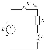
Индуктивная катушка с параметрами R и L подключается к источнику постоянной ЭДС Е. Току
соответствует операторное изображение
равное …

Индуктивная катушка с параметрами R и L подключается к источнику постоянной ЭДС Е. Току
соответствует операторное изображение
равное …Переходные процессы не возникают в электрических цепях, содержащих …
Если во время переходного процесса ток в ветви электрической цепи
то в установившемся режиме этот ток будет равен ____ А.
то в установившемся режиме этот ток будет равен ____ А.15 
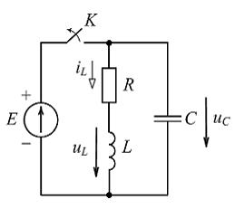
Катушка с сопротивлением
и индуктивностью
подключается к сети с напряжением
(см. рис.). Возникающий в цепи переходный ток
равен __________ А.

Катушка с сопротивлением
и индуктивностью
подключается к сети с напряжением
(см. рис.). Возникающий в цепи переходный ток
равен __________ А.
после размыкания ключа ток
напряжение 


