Электротехника и электроника – страница 43
3 
Если в катушке с числом витков
ток
магнитный поток в сердечнике
то индуктивность катушки
равна ____ Гн.

Если в катушке с числом витков
ток
магнитный поток в сердечнике
то индуктивность катушки
равна ____ Гн.Полупроводниковый диод, в котором используется зависимость емкости
– перехода от обратного напряжения, называется …
– перехода от обратного напряжения, называется …Если внутреннее сопротивление
источника электрической энергии много больше сопротивления нагрузки, то есть
то такой источник характеризуется внешней характеристикой, приведенной на рисунке …
источника электрической энергии много больше сопротивления нагрузки, то есть
то такой источник характеризуется внешней характеристикой, приведенной на рисунке …7 
На рисунке приведены зависимости тока через резисторы от напряжения на них. Сопротивление
имеет резистор …

На рисунке приведены зависимости тока через резисторы от напряжения на них. Сопротивление
имеет резистор …В цепях синусоидального тока реактивными не являются сопротивления ______________ элементов.
11 
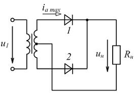
Если в однофазном выпрямителе с выводом нулевой точки вентили и трансформатор идеальные, то при среднем значении выпрямленного напряжения на нагрузке
максимальная величина обратного напряжения на вентилях 

Если в однофазном выпрямителе с выводом нулевой точки вентили и трансформатор идеальные, то при среднем значении выпрямленного напряжения на нагрузке
максимальная величина обратного напряжения на вентилях 
13

В изображенной магнитной цепи намагничивающая обмотка с числом витков
плотно навита на кольцевой сердечник сечением
из литой стали. Средняя длина сердечника
Кольцо имеет разрез (воздушный зазор)
При
магнитодвижущая сила (МДС) катушки 

В изображенной магнитной цепи намагничивающая обмотка с числом витков
плотно навита на кольцевой сердечник сечением
из литой стали. Средняя длина сердечника
Кольцо имеет разрез (воздушный зазор)
При
магнитодвижущая сила (МДС) катушки 
14 
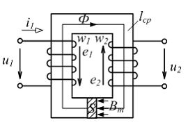
На рисунке изображена электромагнитная схема идеализированного трансформатора. Неверно, что при синусоидальном напряжении
…

На рисунке изображена электромагнитная схема идеализированного трансформатора. Неверно, что при синусоидальном напряжении
…15 
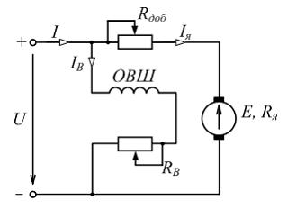
Двигатель параллельного возбуждения подключен к сети с неизменным напряжением, момент нагрузки меньше номинального. После увеличения сопротивления
в цепи возбуждения ток якоря __________, частота вращения якоря …

Двигатель параллельного возбуждения подключен к сети с неизменным напряжением, момент нагрузки меньше номинального. После увеличения сопротивления
в цепи возбуждения ток якоря __________, частота вращения якоря …
ЭДС
сопротивление
то ток
равен ____ А.


(см. рис.), то источники ЭДС работают …

то ток
равен ____ А.