Электротехника и электроника – страница 39
Электромагнитный момент неявнополюсного трехфазного синхронного двигателя М равен ____ Н/м.
4

В изображенной магнитной цепи обмотка с числом витков
плотно навита на кольцевой сердечник сечением
из литой стали. Средняя длина сердечника
При
абсолютная магнитная проницаемость сердечника
равна ___ 

В изображенной магнитной цепи обмотка с числом витков
плотно навита на кольцевой сердечник сечением
из литой стали. Средняя длина сердечника
При
абсолютная магнитная проницаемость сердечника
равна ___ 
На замкнутый ферромагнитный сердечник с площадью поперечного сечения S равномерно намотана обмотка с числом витков W. Если магнитный поток в сердечнике Ф, то напряженность магнитного поля …
6 
В однополупериодном выпрямителе среднее значение напряжения
При
среднее значение тока нагрузки равно ____ А.

В однополупериодном выпрямителе среднее значение напряжения
При
среднее значение тока нагрузки равно ____ А.В трехфазную сеть с линейным напряжением
включены треугольником симметричные приемники с
Потребляемая активная мощность равна ____ кВт.
включены треугольником симметричные приемники с
Потребляемая активная мощность равна ____ кВт.Для анализа магнитных цепей используют вебер-амперную характеристику, выражающую графически зависимость …
Физической величиной, определяемой по силе, действующей со стороны магнитного поля на движущуюся в этом поле заряженную частицу, является …
Логический элемент, выходной сигнал которого равен единице, если хотя бы на один из входов подан сигнал «1», называется элементом …
14 
Два одинаковых нелинейных элемента с заданной (см. рис.) вольт-амперной характеристикой соединены параллельно. Если напряжение на входе цепи
то ток
в неразветвленной части цепи равен ____ мА.

Два одинаковых нелинейных элемента с заданной (см. рис.) вольт-амперной характеристикой соединены параллельно. Если напряжение на входе цепи
то ток
в неразветвленной части цепи равен ____ мА.
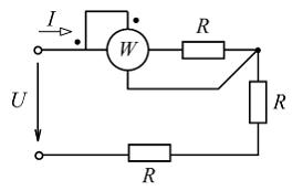
и сопротивлении
ток
то противо-ЭДС Е активного приемника равна _____ В.



(см. рис.), то показание ваттметра равно ___ Вт.