Электротехника и электроника – страница 36
1

В изображенной магнитной цепи намагничивающая обмотка с числом витков
плотно навита на кольцевой сердечник из литой стали сечением
Средняя длина сердечника
При магнитной индукции
магнитное сопротивление сердечника 

В изображенной магнитной цепи намагничивающая обмотка с числом витков
плотно навита на кольцевой сердечник из литой стали сечением
Средняя длина сердечника
При магнитной индукции
магнитное сопротивление сердечника 
Сердечник электромагнитного устройства постоянного тока выполнен из электротехнической стали с заданной зависимостью
. Если длина средней линии сердечника
а площадь поперечного сечения S, то магнитное сопротивление
сердечника равно …
. Если длина средней линии сердечника
а площадь поперечного сечения S, то магнитное сопротивление
сердечника равно …Участок с отрицательным дифференциальным сопротивлением имеется в вольт-амперной характеристике …
4 
В однополупериодном выпрямителе среднее значение напряжения
При
максимальное значение тока
равно ____ А.

В однополупериодном выпрямителе среднее значение напряжения
При
максимальное значение тока
равно ____ А.5 
На рисунке изображена механическая характеристика асинхронного двигателя. Критическое скольжение
где
– значения частоты вращения ротора в точках 2, 3, 4 механической характеристики.

На рисунке изображена механическая характеристика асинхронного двигателя. Критическое скольжение
где
– значения частоты вращения ротора в точках 2, 3, 4 механической характеристики.6 
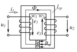
В трансформаторе с однородным магнитопроводом из холоднокатаной электротехнической стали марки 3411 действующее значение эквивалентного синусоидального тока
При
средней длине магнитопровода
напряженность магнитного поля трансформатора равна ___ 

В трансформаторе с однородным магнитопроводом из холоднокатаной электротехнической стали марки 3411 действующее значение эквивалентного синусоидального тока
При
средней длине магнитопровода
напряженность магнитного поля трансформатора равна ___ 
7 
При известных сопротивлениях и токах напряжение
(см. рис.) на зажимах источника тока можно определить из уравнения …

При известных сопротивлениях и токах напряжение
(см. рис.) на зажимах источника тока можно определить из уравнения …Вольт-амперная характеристика нелинейного элемента выражается уравнением
При напряжении
статическое сопротивление
нелинейного элемента равно …
При напряжении
статическое сопротивление
нелинейного элемента равно …Логический элемент, выходной сигнал которого равен единице, если одновременно на все входы подан сигнал «1», называется элементом …
В выражении для тока
в Гц измеряется …
в Гц измеряется …11 
На рисунке изображены идеальные элементы схем замещения цепей переменного тока.
К пассивным не относится (-ятся) элемент(-ы) …

На рисунке изображены идеальные элементы схем замещения цепей переменного тока.
К пассивным не относится (-ятся) элемент(-ы) …
13 
На рисунке изображены два провода с противоположно направленными токами I. При
,
интеграл
равен ___ А.

На рисунке изображены два провода с противоположно направленными токами I. При
,
интеграл
равен ___ А.14

В изображенной магнитной цепи намагничивающая обмотка плотно навита на кольцевой сердечник из холоднокатаной стали марки 3411 сечением
Средняя длина сердечника
При магнитной индукции
магнитное сопротивление сердечника 

В изображенной магнитной цепи намагничивающая обмотка плотно навита на кольцевой сердечник из холоднокатаной стали марки 3411 сечением
Средняя длина сердечника
При магнитной индукции
магнитное сопротивление сердечника 

