Электротехника и электроника – страница 31
Временная диаграмма напряжения на нагрузке выпрямителя с выводом средней точки вторичной обмотки трансформатора изображена на рисунке …
Схема сглаживающего Г-образного индуктивно-емкостного фильтра изображена на рисунке …
7 
На рисунке изображены зависимости полных сопротивлений z от угловой частоты
. Зависимость б соответствует _____________ элементу(-ов).

На рисунке изображены зависимости полных сопротивлений z от угловой частоты
. Зависимость б соответствует _____________ элементу(-ов).Период Т синусоидального тока
равен ___ с.
равен ___ с.В формуле для активной мощности симметричного трехфазного приемника
под U и I понимают …
под U и I понимают …Зависимость ЭДС якоря от тока возбуждения при номинальной частоте вращения ротора синхронного генератора и отсутствии нагрузки якоря
называется характеристикой …
называется характеристикой …11 
Напряжение на зажимах генератора смешанного возбуждения
. Если ток в обмотке ОВС
то ток
в обмотке ОВШ равен ___ А.

Напряжение на зажимах генератора смешанного возбуждения
. Если ток в обмотке ОВС
то ток
в обмотке ОВШ равен ___ А.13 
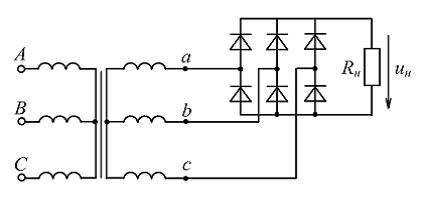
В трехфазном мостовом выпрямителе с идеальными трансформатором и вентилями отношение
где
– среднее значение выпрямленного напряжения,
– действующее фазное напряжение вторичной обмотки трансформатора.

В трехфазном мостовом выпрямителе с идеальными трансформатором и вентилями отношение
где
– среднее значение выпрямленного напряжения,
– действующее фазное напряжение вторичной обмотки трансформатора.

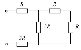
цепи, показанной на рисунке, равно …