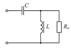
Схема сглаживающего Г-образного индуктивно-емкостного фильтра изображена на рисунке …
• 
• 
• 
• 
Тема: Источники вторичного электрпитания
Предмет: Электротехника и электроника