Электротехника и электроника – страница 12
Уравнения четырехполюсника
записаны в…
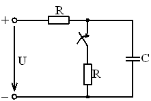
записаны в…При изменении частоты f от нуля до
и неизменном действующем значении приложенного напряжения U действующее значение тока I …

и неизменном действующем значении приложенного напряжения U действующее значение тока I … 
Приведенная топографическая диаграмма напряжений и векторная диаграмма токов соответствует трехфазной цепи при соединении фаз…


Если активное сопротивление пассивного двухполюсника
Ом, а действующее значение тока на входе этого двухполюсника
А, то активная мощность Р равна…
Ом, а действующее значение тока на входе этого двухполюсника
А, то активная мощность Р равна…Период Т синусоидального тока
А равен…
А равен…Если для цепи с двумя накопителями корни характеристического уравнения равны
, то график переходного процесса может иметь вид…
, то график переходного процесса может иметь вид…
приведенной цепи равно…
…
Гц индуктивное сопротивление
Ом, то индуктивность L равна…

Ом и
Ом, то
равно…
