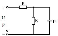
Операторная схема замещения цепи имеет вид…
Изображение вопроса Операторная схема замещения цепи имеет вид…...
• 
• 
• 
• 
Тема: Операторный метод расчета
Предмет: Электротехника и электроника