Электротехника и электроника (Основы теории цепей) – страница 9
Характеристическое уравнение цепи имеет корни
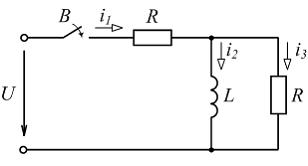
. Свободная составляющая тока
при переходном процессе равна …
. Свободная составляющая тока
при переходном процессе равна …5

На рисунке приведены схема и временная диаграмма выпрямителя, работающего на встречный источник ЭДС. Ток через диод протекает в интервале времени …

На рисунке приведены схема и временная диаграмма выпрямителя, работающего на встречный источник ЭДС. Ток через диод протекает в интервале времени …
Если в плоской волне 
то скорость распространения волны v и волновое сопротивление среды
, в которой она распространяется, равны …

то скорость распространения волны v и волновое сопротивление среды
, в которой она распространяется, равны …Основным конструктивным недостатком машины постоянного тока, снижающим надежность работы и требующим постоянно надзора и ухода за ее работой, является наличие …
14
переход отсутствует у …
переход отсутствует у …В соотношении
, выражающем закон полного тока в дифференциальной форме, плотность полного тока
равна …
, выражающем закон полного тока в дифференциальной форме, плотность полного тока
равна …

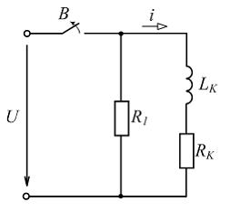
катушки после ее отключения от источника постоянного напряжения имеет вид …

равна …
в точке А с координатами
величина напряженности электрического поля Е равна ____ 
