Электротехника и электроника (Основы теории цепей) – страница 6
Из перечисленных нелинейных сопротивлений: бареттер, транзистор, терморезистор, диод – к группе неуправляемых нелинейных сопротивлений относятся …
2 
Для четырехполюсника, схема которого изображена на рисунке, известны уравнения типа А:

Верным соотношением между коэффициентами является …

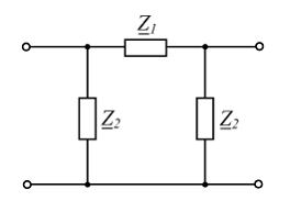
Для четырехполюсника, схема которого изображена на рисунке, известны уравнения типа А:

Верным соотношением между коэффициентами является …
Напряжение
на индуктивном элементе равно …
на индуктивном элементе равно …Если при согласованной нагрузке напряжение на входе линии
то в середине линии напряжение составит …
то в середине линии напряжение составит …11 
Если амперметры
и
показывают одинаковые значения тока
то амперметр
показывает значение тока
равное ____ А.

Если амперметры
и
показывают одинаковые значения тока
то амперметр
показывает значение тока
равное ____ А.Если ряд Фурье несинусоидального напряжения имеет вид
и
, то среднее значение
этого напряжения равно ____ В.
и
, то среднее значение
этого напряжения равно ____ В.
мощность
, переданная нагрузке, сопротивление которой
равна ____ Вт.
то коэффициент
равен …
и
через
и
называются уравнениями типа …
ток
то активная мощность Р цепи равна ___ Вт.
на комплексной плоскости. Верно, что …
то для эквивалентного сопротивления цепи справедливо соотношение …
эквивалентного генератора относительно точек а и b схемы равно …