Электротехника и электроника (Основы теории цепей) – страница 25
1 
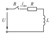
Если в схеме, изображенной на рисунке,
то в начальный момент времени после коммутации скорость изменения напряжения
равна ____ 

Если в схеме, изображенной на рисунке,
то в начальный момент времени после коммутации скорость изменения напряжения
равна ____ 
2 
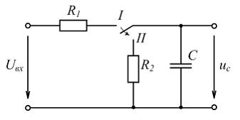
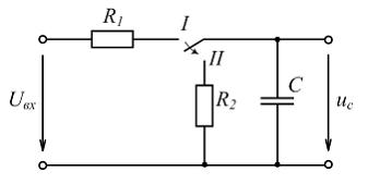
При переводе переключателя из положения I в положение II в цепи начинается переходный процесс. Характеристическое уравнение имеет вид …

При переводе переключателя из положения I в положение II в цепи начинается переходный процесс. Характеристическое уравнение имеет вид …
В уравнениях типа А симметричного четырехполюсника известны коэффициенты
Характеристическое сопротивление
четырехполюсника равно ___ Ом.
Характеристическое сопротивление
четырехполюсника равно ___ Ом.4 
Длительность переходного процесса при переводе переключателя из положения I в положение II уменьшится, если …

Длительность переходного процесса при переводе переключателя из положения I в положение II уменьшится, если …
5 
График изменения напряжения
при апериодическом переходном процессе может иметь вид, показанный на рисунке …

График изменения напряжения
при апериодическом переходном процессе может иметь вид, показанный на рисунке …В линии с распределенными параметрами фазовой скорости
и частоте
соответствует длина волны, равная ___ км.
и частоте
соответствует длина волны, равная ___ км.10 
Если увеличить сопротивление
в два раза, то длительность переходного процесса при переводе переключателя из положения I в положение II …

Если увеличить сопротивление
в два раза, то длительность переходного процесса при переводе переключателя из положения I в положение II …13 
К выходным зажимам симметричного четырехполюсника со вторичными параметрами
и
подключена нагрузка с сопротивлением
При этом входное сопротивление
равно …

К выходным зажимам симметричного четырехполюсника со вторичными параметрами
и
подключена нагрузка с сопротивлением
При этом входное сопротивление
равно …15 
Если в схеме, изображенной на рисунке,
то в начальный момент времени после коммутации скорость изменения тока
равна ____ 

Если в схеме, изображенной на рисунке,
то в начальный момент времени после коммутации скорость изменения тока
равна ____ 

то кривая 4 (рис. б) является графиком изменения …
равен ____ рад.
и переходный ток
то переходное напряжение
равно ___ В.
то постоянная времени равна ____ с.
то кривая 2 (рис. б) является графиком изменения …
то графиком изменения напряжения
является на рис. б кривая …