Электротехника и электроника (Основы теории цепей) – страница 24
2 
Векторной диаграмме напряжений и токов несимметричного трехфазного приемника соответствует схема …

Векторной диаграмме напряжений и токов несимметричного трехфазного приемника соответствует схема …
Для подключения трехфазного приемника с номинальным напряжением
к трехфазной сети
необходим __________ трансформатор с коэффициентом трансформации 
к трехфазной сети
необходим __________ трансформатор с коэффициентом трансформации 
У силовых трансформаторов величина тока холостого хода составляет примерно ___ % от его номинального значения.
6 
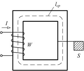
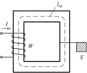
Если длина средней линии сердечника
число витков обмотки
ток в обмотке
то напряженность магнитного поля в сердечнике равна ___ 

Если длина средней линии сердечника
число витков обмотки
ток в обмотке
то напряженность магнитного поля в сердечнике равна ___ 
Для некоторой магнитной цепи выражение
соответствует …
соответствует …8 
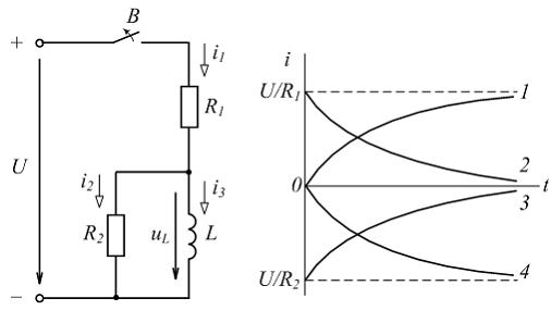
Если уменьшить сопротивление
в два раза, то длительность переходного процесса при размыкании выключателя В …

Если уменьшить сопротивление
в два раза, то длительность переходного процесса при размыкании выключателя В …11 
Напряжение на входе схемы содержит, кроме основной, высшие гармоники. Наибольшее процентное содержание высших гармоник относительно основной – в токе …

Напряжение на входе схемы содержит, кроме основной, высшие гармоники. Наибольшее процентное содержание высших гармоник относительно основной – в токе …
12 
Если кривая несинусоидального напряжения
симметрична относительно начала координат, то в разложении Фурье содержатся только …

Если кривая несинусоидального напряжения
симметрична относительно начала координат, то в разложении Фурье содержатся только …




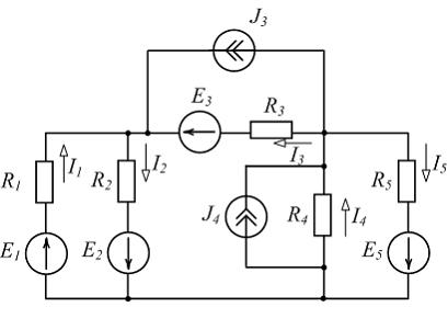
то активная мощность, отдаваемая источником ЭДС, равна _____ Вт.
показанная на рисунке, соответствует схеме …
после размыкания выключателя В является кривая …