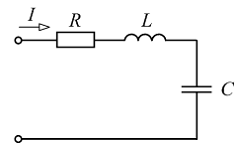
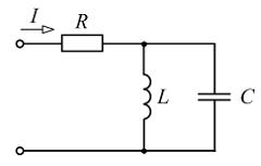
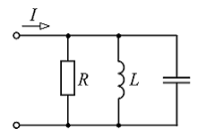
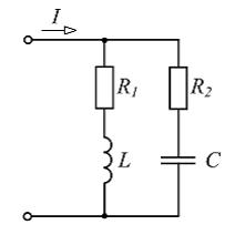
Изображение вопроса Зависимость  показанная на рисунке, соответствует ...
Зависимость Изображение вопроса Зависимость  показанная на рисунке, соответствует ... показанная на рисунке, соответствует схеме …
• 
• 
• 
• 
Тема: Резонансные явления в линейных электрических цепях синусоидального тока
Предмет: Электротехника и электроника (Основы теории цепей)