Электротехника и электроника (Основы теории цепей) – страница 10
В плоской электромагнитной волне амплитуды напряженностей электрического и магнитного полей уменьшаются в
раз по сравнению с их значениями на поверхности проводящей среды на расстоянии
.
раз по сравнению с их значениями на поверхности проводящей среды на расстоянии
.Хорошие пусковые свойства, значительную перегрузочную способность, благоприятные механические характеристики, возможность плавного и глубокого регулирования частоты вращения имеют …
11 
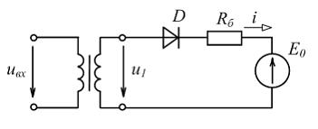
На рисунке приведена схема выпрямителя, работающего на встречный источник ЭДС. Если
то максимальное значение тока
равно ____ А.

На рисунке приведена схема выпрямителя, работающего на встречный источник ЭДС. Если
то максимальное значение тока
равно ____ А.Соотношение
справедливо для трехпроводной трехфазной цепи при соединении ________ приемников _________.
справедливо для трехпроводной трехфазной цепи при соединении ________ приемников _________.13 
На расстоянии
от оси прямолинейного круглого провода с током I напряженность магнитного поля Н равна …

На расстоянии
от оси прямолинейного круглого провода с током I напряженность магнитного поля Н равна …Из приведенных уравнений:
, − потенциальный (безвихревой) характер электростатического поля определяют уравнения …
, − потенциальный (безвихревой) характер электростатического поля определяют уравнения …Плоская электромагнитная волна, распространяющаяся в диэлектрике, подходит нормально к плоской поверхности, ограничивающей с одной стороны среду из:
а) меди с
б) ферромагнитного вещества с
в) морской воды с
г) сухой почвы с
При одной и той же частоте колебаний длина электромагнитной волны будет наибольшей в среде …
а) меди с

б) ферромагнитного вещества с

в) морской воды с

г) сухой почвы с

При одной и той же частоте колебаний длина электромагнитной волны будет наибольшей в среде …
объемная плотность зарядов
равна …
с током I равен …

напряжение
и ток
соответственно равны …

