Сопротивление материалов – страница 66
2 
Из указанных центральных осей поперечного сечения равнобокого уголка главной центральной является ось …

Из указанных центральных осей поперечного сечения равнобокого уголка главной центральной является ось …
3 
Для плоской фигуры известны осевые моменты инерции относительно осей
,
,
:
,
,
. Осевой момент инерции относительно оси
равен ___ см4.

Для плоской фигуры известны осевые моменты инерции относительно осей
,
,
:
,
,
. Осевой момент инерции относительно оси
равен ___ см4.4 
Две массы m (см. рисунок) посредством стержня АВ прикреплены к оси CD и равномерно вращаются вместе с осью с угловой скоростью
Момент, передаваемый от стержня АВ на ось CD равен …
В расчете учесть только силы инерции масс m. Ось CD и стержень AB считать абсолютно жесткими.

Две массы m (см. рисунок) посредством стержня АВ прикреплены к оси CD и равномерно вращаются вместе с осью с угловой скоростью
Момент, передаваемый от стержня АВ на ось CD равен …В расчете учесть только силы инерции масс m. Ось CD и стержень AB считать абсолютно жесткими.
5 
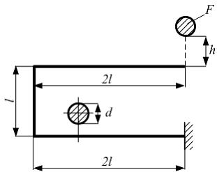
На раму постоянного круглого поперечного сечения диаметром d (см. рисунок) с высоты h падает груз весом F. Размер l, модуль упругости материала Е, допускаемое нормальное напряжение
заданы.
Из расчета на прочность по допускаемым напряжениям минимально допустимое значение диаметра поперечного сечения равно …
При определении величины динамического коэффициента использовать приближенную формулу
Продольную силу в расчетах не учитывать.

На раму постоянного круглого поперечного сечения диаметром d (см. рисунок) с высоты h падает груз весом F. Размер l, модуль упругости материала Е, допускаемое нормальное напряжение
заданы.Из расчета на прочность по допускаемым напряжениям минимально допустимое значение диаметра поперечного сечения равно …
При определении величины динамического коэффициента использовать приближенную формулу
Продольную силу в расчетах не учитывать.6 
На балку установлен электродвигатель, в котором имеется несбалансированная вращающаяся масса. Число оборотов ротора электродвигателя 900 оборотов в минуту. Круговая частота вынужденных колебаний системы равна ___

На балку установлен электродвигатель, в котором имеется несбалансированная вращающаяся масса. Число оборотов ротора электродвигателя 900 оборотов в минуту. Круговая частота вынужденных колебаний системы равна ___

7 
При падении груза весом F на балку (см. рисунок) динамическое нормальное напряжение в точке поперечного сечения определяется по формуле
где
– …

При падении груза весом F на балку (см. рисунок) динамическое нормальное напряжение в точке поперечного сечения определяется по формуле
где
– …Коэффициент запаса усталостной прочности детали по нормальным напряжениям, изменяющимся по симметричному циклу, вычисляется по формуле …
9 
На рисунке показана диаграмма предельных амплитуд, учитывающая особенности детали. Точка А соответствует рабочему циклу. Под коэффициентом запаса усталостной прочности понимается отношение …

На рисунке показана диаграмма предельных амплитуд, учитывающая особенности детали. Точка А соответствует рабочему циклу. Под коэффициентом запаса усталостной прочности понимается отношение …
10 
На балке установлен электродвигатель (см. рисунок) весом
с числом оборотов
В электродвигателе имеется несбалансированная вращающаяся масса. Длина балки
Поперечное сечение состоит из двух уголков с общим моментом инерции
Модуль упругости
Балку с электродвигателем рассматривать как систему с одной степенью свободы. Массу балки в расчетах не учитывать. Круговая частота собственных колебаний системы 

На балке установлен электродвигатель (см. рисунок) весом
с числом оборотов
В электродвигателе имеется несбалансированная вращающаяся масса. Длина балки
Поперечное сечение состоит из двух уголков с общим моментом инерции
Модуль упругости
Балку с электродвигателем рассматривать как систему с одной степенью свободы. Массу балки в расчетах не учитывать. Круговая частота собственных колебаний системы 
11 
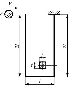
На раму постоянного квадратного поперечного сечения (см. рисунок) движется груз весом F со скоростью V.
Дано:

Величина динамического коэффициента, без учета массы рамы, равна …

На раму постоянного квадратного поперечного сечения (см. рисунок) движется груз весом F со скоростью V.
Дано:

Величина динамического коэффициента, без учета массы рамы, равна …
Если к системе, движущейся ускоренно, кроме активных и реактивных сил приложить силы инерции, то получим уравновешенную систему сил, которая удовлетворяет уравнениям равновесия статики.
Данное положение называется принципом …
Данное положение называется принципом …
13 
На балке установлен электродвигатель (см. рисунок), в котором имеется несбалансированная вращающаяся масса. При установившемся режиме работы условие прочности балки по допускаемым напряжениям имеет вид
Величина
является …

На балке установлен электродвигатель (см. рисунок), в котором имеется несбалансированная вращающаяся масса. При установившемся режиме работы условие прочности балки по допускаемым напряжениям имеет вид

Величина
является …14 
Груз весом Q (см. рисунок) подвешен на тонкой нити и движется вниз с ускорением. Продольная сила в нити становится равной нулю, когда ускорение движения груза равно ___
Вес нити в расчетах не учитывать.

Груз весом Q (см. рисунок) подвешен на тонкой нити и движется вниз с ускорением. Продольная сила в нити становится равной нулю, когда ускорение движения груза равно ___
Вес нити в расчетах не учитывать.В расчетах на усталостную прочность по нормальным напряжениям особенности детали (ее отличие от стандартного образца) учитываются коэффициентом
где
и
, соответственно, учитывают влияние _________________ на усталостную прочность.
где
и
, соответственно, учитывают влияние _________________ на усталостную прочность.
равен …