Сопротивление материалов – страница 58
1 
Однопролетная балка длиной l нагружена моментом М. К балке дополнительно прикладывается момент
С изменением схемы нагружения прочность балки … Учесть только нормальные напряжения.

Однопролетная балка длиной l нагружена моментом М. К балке дополнительно прикладывается момент
С изменением схемы нагружения прочность балки … Учесть только нормальные напряжения.2 
Схема нагружения рамы круглого поперечного сечения показана на рисунке. Участок рамы I испытывает …

Схема нагружения рамы круглого поперечного сечения показана на рисунке. Участок рамы I испытывает …
4 
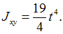
Моменты инерции фигуры относительно осей x и y:

Положение главных осей, проходящих через начало координат определяется углом равным …

Моменты инерции фигуры относительно осей x и y:

Положение главных осей, проходящих через начало координат определяется углом равным …
5 
Ось x проходит через центр тяжести прямоугольника. Осевой момент инерции прямоугольника относительно оси
равен …

Ось x проходит через центр тяжести прямоугольника. Осевой момент инерции прямоугольника относительно оси
равен …8 
На рисунке показано напряженное состояние в точке. Материал хрупкий с пределом прочности на растяжение
и пределом прочности на сжатие
Коэффициент Пуассона 
Величина эквивалентного напряжения равна _____ МПа, прочность материала ______. Использовать теорию наибольших линейных деформаций удлинения.

На рисунке показано напряженное состояние в точке. Материал хрупкий с пределом прочности на растяжение
и пределом прочности на сжатие
Коэффициент Пуассона 
Величина эквивалентного напряжения равна _____ МПа, прочность материала ______. Использовать теорию наибольших линейных деформаций удлинения.
Коэффициент Пуассона
для изотропного материала изменяется в пределах …
для изотропного материала изменяется в пределах …11 
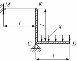
Элемент КСD закреплен с помощью шарнирно неподвижной опоры и стержня с жесткостью поперечного сечения на растяжение ЕА (см. рисунок). Система нагружена равномерно распределенной нагрузкой с интенсивностью q. Допустимая величина удлинения стержня
задана. Условие жесткости имеет вид …

Элемент КСD закреплен с помощью шарнирно неподвижной опоры и стержня с жесткостью поперечного сечения на растяжение ЕА (см. рисунок). Система нагружена равномерно распределенной нагрузкой с интенсивностью q. Допустимая величина удлинения стержня
задана. Условие жесткости имеет вид …12 
На рисунке показан стержень, работающий на кручение. Крутящий момент в сечении С-С, по абсолютной величине, равен …

На рисунке показан стержень, работающий на кручение. Крутящий момент в сечении С-С, по абсолютной величине, равен …
14 
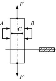
При нагружении образца силами F стрелки тензометров А и В переместились на 10 делений, а стрелка тензометра С – на 3 деления. Базы тензометров – 20 мм. Цена деления шкалы тензометров – 0,001 мм. Коэффициент Пуассона материала образца по абсолютной величине равен …

При нагружении образца силами F стрелки тензометров А и В переместились на 10 делений, а стрелка тензометра С – на 3 деления. Базы тензометров – 20 мм. Цена деления шкалы тензометров – 0,001 мм. Коэффициент Пуассона материала образца по абсолютной величине равен …





