Сопротивление материалов – страница 49
1 
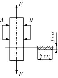
При нагружении образца прямоугольного сечения силами
стрелки тензометров А и В переместились на 6 и 4 деления соответственно. Базы тензометров – 20 мм. Цена деления шкалы тензометров – 0,001 мм. Модуль упругости материала образца равен ____ МПа.

При нагружении образца прямоугольного сечения силами
стрелки тензометров А и В переместились на 6 и 4 деления соответственно. Базы тензометров – 20 мм. Цена деления шкалы тензометров – 0,001 мм. Модуль упругости материала образца равен ____ МПа.2 
При данном варианте нагружения стержень I работает на деформацию растяжение. Если удалить одну силу F, то стержень I будет испытывать …

При данном варианте нагружения стержень I работает на деформацию растяжение. Если удалить одну силу F, то стержень I будет испытывать …
3 
Стержень квадратного сечения со стороной b нагружен двумя силами F. Если изменить направление одной из сил на противоположное, то значение максимального нормального напряжения …

Стержень квадратного сечения со стороной b нагружен двумя силами F. Если изменить направление одной из сил на противоположное, то значение максимального нормального напряжения …
Стержень круглого сечения работает на кручение и изгиб. В опасных точках напряженное состояние …
5 
Консольная балка длиной l нагружена равномерно распределенной нагрузкой интенсивностью q. Модуль упругости материала Е. Сечение круглое диаметром d. Радиус кривизны оси балки
в опасном сечении равен …

Консольная балка длиной l нагружена равномерно распределенной нагрузкой интенсивностью q. Модуль упругости материала Е. Сечение круглое диаметром d. Радиус кривизны оси балки
в опасном сечении равен …6 
Балка имеет прямоугольное поперечное сечение с размерами
и
При повороте поперечного сечения из положения А в положение В грузоподъемность балки, из расчета по нормальным напряжениям, …

Балка имеет прямоугольное поперечное сечение с размерами
и
При повороте поперечного сечения из положения А в положение В грузоподъемность балки, из расчета по нормальным напряжениям, …7 
На рисунке показан стержень, работающий на кручение. Известны величины:
Значение максимальных касательных напряжений в сечении С-С равно ___ МПа.

На рисунке показан стержень, работающий на кручение. Известны величины:
Значение максимальных касательных напряжений в сечении С-С равно ___ МПа.9 
На рисунке показан стержень, нагруженный силами F. Площадь поперечного сечения А, модуль упругости материала Е – известны. Продольная линейная деформация на левом грузовом участке стержня равна …

На рисунке показан стержень, нагруженный силами F. Площадь поперечного сечения А, модуль упругости материала Е – известны. Продольная линейная деформация на левом грузовом участке стержня равна …
10 
Система, показанная на рисунке, нагружена силой F. Известны величины:
– перемещение шарнира С. Вес абсолютно жесткого элемента ВК в расчетах не учитывать. Значение силы F равно …

Система, показанная на рисунке, нагружена силой F. Известны величины:
– перемещение шарнира С. Вес абсолютно жесткого элемента ВК в расчетах не учитывать. Значение силы F равно …Полное напряжение в точке сечения определяется как
Предельный переход позволила осуществить гипотеза …
Предельный переход позволила осуществить гипотеза …13 
Материал стержня (см. рисунок) – однонаправленный стеклопластик – является ____________ материалом.

Материал стержня (см. рисунок) – однонаправленный стеклопластик – является ____________ материалом.
14 
Стержень прямоугольного сечения с размерами
и
нагружен силой F, лежащей в плоскости сечения xy под углом
к оси y. Модуль упругости материла Е и размер l заданы. Линейная деформация в точке В по направлению оси стержня равна …

Стержень прямоугольного сечения с размерами
и
нагружен силой F, лежащей в плоскости сечения xy под углом
к оси y. Модуль упругости материла Е и размер l заданы. Линейная деформация в точке В по направлению оси стержня равна …15 
Наименьшему значению критической силы соответствует форма потери устойчивости, показанная на рисунке …

Наименьшему значению критической силы соответствует форма потери устойчивости, показанная на рисунке …