Сопротивление материалов – страница 41
Для вычисления интегралов Мора способом Верещагина, в случае плоского изгиба, без учета влияния поперечных сил, используется формула

где
в общем случае, – …

где
в общем случае, – …4 
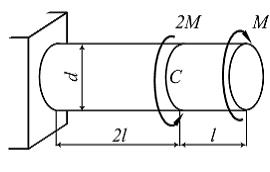
Стержень, показанный на рисунке, испытывает деформацию кручение. Известны величины: М, l,
– допустимый угол поворота поперечного сечения С в радианах, G – модуль сдвига материала стержня. Минимально допустимое значение диаметра d равно …

Стержень, показанный на рисунке, испытывает деформацию кручение. Известны величины: М, l,
– допустимый угол поворота поперечного сечения С в радианах, G – модуль сдвига материала стержня. Минимально допустимое значение диаметра d равно …Допускаемое напряжение для пластичного материала при чистом сдвиге определяется по формуле 

7 
На рисунке показано соединение двух листов с помощью ряда заклепок. Соединение нагружено равномерно распределенной по кромкам листов нагрузкой с интенсивностью q. Известны величины: q, l, d – диаметр тела заклепки,
– допускаемое касательное напряжение на срез для заклепки. Из расчета заклепок на срез минимально допустимое число заклепок определяется выражением …

На рисунке показано соединение двух листов с помощью ряда заклепок. Соединение нагружено равномерно распределенной по кромкам листов нагрузкой с интенсивностью q. Известны величины: q, l, d – диаметр тела заклепки,
– допускаемое касательное напряжение на срез для заклепки. Из расчета заклепок на срез минимально допустимое число заклепок определяется выражением …8 
Стержень длиной l=2м нагружен силой F. Поперечное сечение – равнобедренный треугольник шириной основания
и высотой
Модуль упругости материала стержня
предел пропорциональности
Схема закрепления стержня показана на рисунке. Значение критической силы равно _____ кН. Принять 

Стержень длиной l=2м нагружен силой F. Поперечное сечение – равнобедренный треугольник шириной основания
и высотой
Модуль упругости материала стержня
предел пропорциональности
Схема закрепления стержня показана на рисунке. Значение критической силы равно _____ кН. Принять 
Стержень изготовлен из стали. Формула Тетмайера-Ясинского
выражает зависимость критического напряжения от гибкости сжатого стержня, когда …
выражает зависимость критического напряжения от гибкости сжатого стержня, когда …Признаком потери устойчивости сжатого стержня при статическом нагружении является …
Классические теории прочности:
1) теория наибольших нормальных напряжений,
2) теория наибольших линейных деформаций удлинения,
3) теория наибольших касательных напряжений,
4) теория удельной потенциальной энергии формоизменения.
Для оценки прочности пластичных материалов используются _____ теории прочности.
1) теория наибольших нормальных напряжений,
2) теория наибольших линейных деформаций удлинения,
3) теория наибольших касательных напряжений,
4) теория удельной потенциальной энергии формоизменения.
Для оценки прочности пластичных материалов используются _____ теории прочности.
13 
На рисунке показан стержень, работающий на кручение. Максимальные касательные напряжения в поперечном сечении стержня равны …

На рисунке показан стержень, работающий на кручение. Максимальные касательные напряжения в поперечном сечении стержня равны …
Осевой момент инерции прямоугольника относительно оси проходящей через его центр тяжести параллельно основанию определяется по формуле …





