Сопротивление материалов – страница 14
Наибольшее напряжение, до которого материал подчиняется закону Гука, называется пределом …
2 
На рисунке показан ступенчатый стержень, работающий на кручение. Величины
заданы. Взаимный угол поворота поперечных сечений A и D равен …

На рисунке показан ступенчатый стержень, работающий на кручение. Величины
заданы. Взаимный угол поворота поперечных сечений A и D равен …3 
Стержень прямоугольного сечения с размерами
,
, длиной
нагружен внешними силами. Материал стержня одинаково работает на растяжение и сжатие. Допускаемое напряжение для материала
. Из расчета на прочность по напряжениям значение силы F равно ____ Н.

Стержень прямоугольного сечения с размерами
,
, длиной
нагружен внешними силами. Материал стержня одинаково работает на растяжение и сжатие. Допускаемое напряжение для материала
. Из расчета на прочность по напряжениям значение силы F равно ____ Н.4 
Схема нагружения стержня круглого сечения диаметром d, длиной l показана на рисунке. Значение допускаемого напряжения для материала
задано. Значение параметра внешней нагрузки М, по теории наибольших касательных напряжений, равно …

Схема нагружения стержня круглого сечения диаметром d, длиной l показана на рисунке. Значение допускаемого напряжения для материала
задано. Значение параметра внешней нагрузки М, по теории наибольших касательных напряжений, равно …5 
Длина консоли балки
Прогиб на свободном конце
Угол поворота сечения над опорой В равен ______ радиан.

Длина консоли балки
Прогиб на свободном конце
Угол поворота сечения над опорой В равен ______ радиан.7 
На рисунке показан опасный участок вала, работающий на кручение при значениях:

По результатам проверочных расчетов на жесткость и прочность можно сказать, что …

На рисунке показан опасный участок вала, работающий на кручение при значениях:

По результатам проверочных расчетов на жесткость и прочность можно сказать, что …
8 
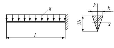
Консольная балка длиной
нагружена равномерно распределенной нагрузкой интенсивности
Поперечное сечение – равнобедренный треугольник. Допускаемое нормальное напряжение для материала балки
Из расчета на прочность по нормальным напряжениям размер поперечного сечения балки b равен ____ (см).

Консольная балка длиной
нагружена равномерно распределенной нагрузкой интенсивности
Поперечное сечение – равнобедренный треугольник. Допускаемое нормальное напряжение для материала балки
Из расчета на прочность по нормальным напряжениям размер поперечного сечения балки b равен ____ (см).10 
Стержень работает на кручение. Величины М и d заданы. Из условия равнопрочности по напряжениям диаметр вала на правом грузовом участке равен …

Стержень работает на кручение. Величины М и d заданы. Из условия равнопрочности по напряжениям диаметр вала на правом грузовом участке равен …
11 

Прямоугольная балка имеет два варианта расположения прямоугольного поперечного сечения. Сила − F, линейные размеры b и l заданы. Отношение наибольших касательных напряжений
, возникающих в балке, равно …


Прямоугольная балка имеет два варианта расположения прямоугольного поперечного сечения. Сила − F, линейные размеры b и l заданы. Отношение наибольших касательных напряжений
, возникающих в балке, равно …12 
На рисунке показан стержень, работающий на кручение. Крутящий момент на среднем грузовом участке равен …

На рисунке показан стержень, работающий на кручение. Крутящий момент на среднем грузовом участке равен …
Способность материала сопротивляться разрушению при действии на него внешней нагрузки называется …
14 
Стержень прямоугольного сечения с размерами
нагружен двумя внешними силами F. При удалении силы F, приложенной в точке В, значение максимального нормального напряжения …

Стержень прямоугольного сечения с размерами
нагружен двумя внешними силами F. При удалении силы F, приложенной в точке В, значение максимального нормального напряжения …Напряжения и перемещения в сечениях, удаленных от места приложения внешней нагрузки, зависят от ее статического эквивалента и не зависят от способа ее приложения. Данное утверждение называется …

(
) и изгибающие моменты
и
лежат в плоскостях …