Сопротивление материалов – страница 12
1 
Стержень нагружен силой F, которая расположена над углом
к вертикальной оси симметрии и лежит в плоскости сечения. Линейные размеры b и l заданы. Нормальное напряжение в точке В сечения I–I равно …

Стержень нагружен силой F, которая расположена над углом
к вертикальной оси симметрии и лежит в плоскости сечения. Линейные размеры b и l заданы. Нормальное напряжение в точке В сечения I–I равно …2 
Балка длиной l в середине пролета нагружена силой F. Размеры поперечного сечения по длине балки не меняются. Модуль упругости материала Е задан. Угол поворота сечения В равен …

Балка длиной l в середине пролета нагружена силой F. Размеры поперечного сечения по длине балки не меняются. Модуль упругости материала Е задан. Угол поворота сечения В равен …
4 
Из условия прочности, при заданном значении
, наименьшее допускаемое значение параметра М равно ___.
При решении принять
.

Из условия прочности, при заданном значении
, наименьшее допускаемое значение параметра М равно ___.При решении принять
.5 
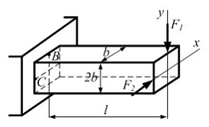
Стержень прямоугольного сечения с размерами b и 2b, длиной l нагружен внешними силами F1 и F2. Значение нормального напряжения в точке В будет равно значению нормального напряжения в точке С, когда отношение
равно …

Стержень прямоугольного сечения с размерами b и 2b, длиной l нагружен внешними силами F1 и F2. Значение нормального напряжения в точке В будет равно значению нормального напряжения в точке С, когда отношение
равно …6 
Стержень прямоугольного сечения с размерами b и 2b нагружен внешними силами F и 2F. В сечении I–I значение нормального напряжения в точке С равно …

Стержень прямоугольного сечения с размерами b и 2b нагружен внешними силами F и 2F. В сечении I–I значение нормального напряжения в точке С равно …
7 
Если известны перемещения точки A (см. рисунок) вдоль координатных осей (u, v, w), то полное перемещение определяется по формуле …

Если известны перемещения точки A (см. рисунок) вдоль координатных осей (u, v, w), то полное перемещение определяется по формуле …
8 
В недеформированном теле расстояние между точками А и В равно S. В результате изменения формы и размеров тела точки А и В переместились в пространстве в положения
и
. Расстояние между ними изменилось на величину
. Линейной деформацией в точке А по направлению АВ называется величина …

В недеформированном теле расстояние между точками А и В равно S. В результате изменения формы и размеров тела точки А и В переместились в пространстве в положения
и
. Расстояние между ними изменилось на величину
. Линейной деформацией в точке А по направлению АВ называется величина …9 
Консоль длиной l нагружена силой F. Сечение балки прямоугольное с размерами b и h. Модуль упругости материала Е. При увеличении линейных размеров
в два раза значение максимального прогиба …

Консоль длиной l нагружена силой F. Сечение балки прямоугольное с размерами b и h. Модуль упругости материала Е. При увеличении линейных размеров
в два раза значение максимального прогиба …10 
На рисунке показан стержень, работающий на кручение.
Величины
(допускаемый угол поворота сечения С) заданы. Максимально допустимое значение момента М равно …

На рисунке показан стержень, работающий на кручение.
Величины
(допускаемый угол поворота сечения С) заданы. Максимально допустимое значение момента М равно …11 
Консольная балка длиной
нагружена силами
и
Сечение I–I расположено бесконечно близко в заделке. Изгибающий момент в сечении I–I равен нулю, если значение силы
равно …

Консольная балка длиной
нагружена силами
и
Сечение I–I расположено бесконечно близко в заделке. Изгибающий момент в сечении I–I равен нулю, если значение силы
равно …12 
Первоначальная длина стержня (см. рисунок) равна l. После приложения растягивающих сил длина стержня стала l1. Величина
называется …

Первоначальная длина стержня (см. рисунок) равна l. После приложения растягивающих сил длина стержня стала l1. Величина
называется …В сопротивлении материалов основным методом расчета на прочность является метод расчета по …
14 
Схема нагружения стержня квадратного сечения внешними силами показана на рисунке (одна сила лежит в плоскости чертежа, вторая – перпендикулярно плоскости). Деформации (растяжение, кручение и плоский поперечный изгиб) одновременно возникают на участке (-ах) …

Схема нагружения стержня квадратного сечения внешними силами показана на рисунке (одна сила лежит в плоскости чертежа, вторая – перпендикулярно плоскости). Деформации (растяжение, кручение и плоский поперечный изгиб) одновременно возникают на участке (-ах) …
15 
На рисунке показана диаграмма растяжения стального образца диаметром 0,01 м. Масштаб нагрузки – 1 деление – 0,007 МН. Предел текучести материала ____ МПа.

На рисунке показана диаграмма растяжения стального образца диаметром 0,01 м. Масштаб нагрузки – 1 деление – 0,007 МН. Предел текучести материала ____ МПа.

равен …