Механика (Теплотехника) – страница 6
1 Если
– количество кислорода, которое нужно подать с воздухом в топку котла;
– плотность кислорода в нормальных условиях; 0,21 – содержание кислорода в сухом воздухе, то теоретически необходимое количество воздуха для полного сгорания топлива вычисляется по формуле …
– количество кислорода, которое нужно подать с воздухом в топку котла;
– плотность кислорода в нормальных условиях; 0,21 – содержание кислорода в сухом воздухе, то теоретически необходимое количество воздуха для полного сгорания топлива вычисляется по формуле …5 
При одинаковом перепаде давления
(см. рис.) соотношение между скоростями истечения пара в сопле в равновесном и неравновесном процессах имеет вид …

При одинаковом перепаде давления
(см. рис.) соотношение между скоростями истечения пара в сопле в равновесном и неравновесном процессах имеет вид …Ускорение адиабатного потока при течении рабочей среды в соплах и диффузорах происходит за счет …
12 
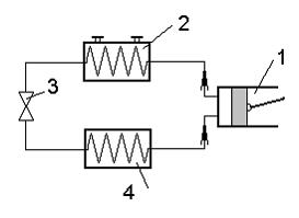
Конденсатор паровой компрессионной холодильной машины, представленной на рисунке, обозначен цифрой …

Конденсатор паровой компрессионной холодильной машины, представленной на рисунке, обозначен цифрой …
В соответствии с первым законом термодинамики подводимая к термодинамической системе теплота …
15 
В процессе 1 – 2, показанном на рисунке, абсолютная температура и удельный объем, соответственно …

В процессе 1 – 2, показанном на рисунке, абсолютная температура и удельный объем, соответственно …

меньше скорости звука
на представленной схеме сопла Лаваля в точке …


то термический КПД цикла, представленного на графике, равен ____ %.