Механика (Теплотехника) – страница 42
1 
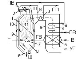
Цифрой 3 на схеме вертикально – водотрубного барабанного парового котла с естественной циркуляцией обозначен(-ы) …

Цифрой 3 на схеме вертикально – водотрубного барабанного парового котла с естественной циркуляцией обозначен(-ы) …
3 
В процессе теплопередачи, представленной на рисунке, интенсивность процесса передачи теплоты в стенке характеризуется коэффициентом …

В процессе теплопередачи, представленной на рисунке, интенсивность процесса передачи теплоты в стенке характеризуется коэффициентом …
Для одноатомного газа число степеней свободы и выражение для вычисления изохорной мольной теплоемкости в кДж/(кмоль·К) имеют вид …
Для двухатомного газа число степеней свободы и выражение для вычисления изохорной мольной теплоемкости в кДж/(кмоль·К) имеют вид …
6 
В качестве определяющей температуры при расчете локальных коэффициентов теплоотдачи на начальном участке 1 применительно к рисунку принимается …

В качестве определяющей температуры при расчете локальных коэффициентов теплоотдачи на начальном участке 1 применительно к рисунку принимается …
7 
Цифрой 10 на схеме вертикально – водотрубного барабанного парового котла с естественной циркуляцией обозначены …

Цифрой 10 на схеме вертикально – водотрубного барабанного парового котла с естественной циркуляцией обозначены …
Векторы градиента температуры и теплового потока, выходящие из одной точки изотермической поверхности, направлены …
9 
На графиках представлены циклы тепловых двигателей А и Б при одинаковых степенях сжатия рабочего тела и одинаковых начальных и конечных параметрах. Термический КПД цикла А составляет ______ термического КПД цикла Б.

На графиках представлены циклы тепловых двигателей А и Б при одинаковых степенях сжатия рабочего тела и одинаковых начальных и конечных параметрах. Термический КПД цикла А составляет ______ термического КПД цикла Б.
10 
Стационарный процесс передачи теплоты от одного теплоносителя к другому через разделяющую их стенку, показанный на рисунке, называется …

Стационарный процесс передачи теплоты от одного теплоносителя к другому через разделяющую их стенку, показанный на рисунке, называется …
Смесь сухого воздуха и насыщенного водяного пара, образованная механическим перемешиванием, называется …
Если теплота, отбираемая от горячего источника с температурой Тист = 1000 К равна q1 = 100 кДж, а температура окружающей среды Т0 = 300 К, то эксергия равна ____ кДж.

