Механика (Теплотехника) – страница 41
В уравнении теплового баланса теплообменника
параметры, обозначенные
, соответствуют температуре __________ теплообменника.
параметры, обозначенные
, соответствуют температуре __________ теплообменника.2 
Если ε1 = 1, ε2 = 1, Т1 = 1000К, Т2 = 100К, то плотность результирующего теплового потока от первой поверхности на вторую, изображенных на рисунке, равна …

Если ε1 = 1, ε2 = 1, Т1 = 1000К, Т2 = 100К, то плотность результирующего теплового потока от первой поверхности на вторую, изображенных на рисунке, равна …
Количество кислорода в кг, необходимое для полного сгорания 12 кг углерода, в соответствии со стехиометрической реакцией
равно …
равно …Потери теплоты от химической неполноты сгорания (химического недожога) составляют 0,5 %. Если
то указанные потери теплоты в абсолютных единицах равны _____
.
то указанные потери теплоты в абсолютных единицах равны _____
.Балансовые уравнения, показывающие исходные и конечные состояния участвующих в реакциях компонентов, называются _________ уравнениями.
Потери теплоты от механического недожога в уравнении теплового баланса парового котла
обозначены через …
обозначены через …10 
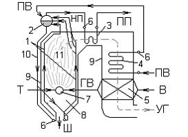
Топливо с угольного склада после дробления подается конвейером в бункер сырого угля, обозначенный на рисунке цифрой …

Топливо с угольного склада после дробления подается конвейером в бункер сырого угля, обозначенный на рисунке цифрой …
11 
Цифрой 4 на схеме вертикально – водотрубного барабанного парового котла с естественной циркуляцией обозначен …

Цифрой 4 на схеме вертикально – водотрубного барабанного парового котла с естественной циркуляцией обозначен …
13 
На теоретической индикаторной диаграмме поршневого компрессора линия 1 – 2 соответствует ________ газа.

На теоретической индикаторной диаграмме поршневого компрессора линия 1 – 2 соответствует ________ газа.
Топливным хозяйством называют систему устройств и механизмов, предназначенных для …
