Механика (Теплотехника) – страница 35
Ежегодно в мире в результате сжигания энергетических топлив в атмосферу выбрасывается …
4 
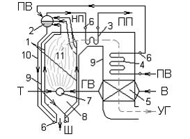
Цифрой 1 на схеме вертикально – водотрубного барабанного парового котла с естественной циркуляцией обозначен(-ы) …

Цифрой 1 на схеме вертикально – водотрубного барабанного парового котла с естественной циркуляцией обозначен(-ы) …
Количество двуокиси углерода в кг, образующееся при полном сгорании 28 кг окиси углерода, в соответствии со стехиометрической реакцией
равно …
равно …7 
Увеличение давления в конденсаторе при неизменных остальных параметрах цикла Ренкина, представленного на графике, приводит к …

Увеличение давления в конденсаторе при неизменных остальных параметрах цикла Ренкина, представленного на графике, приводит к …
Количество двуокиси углерода в кг, получаемое при полном сгорания 12 кг углерода, в соответствии со стехиометрической реакцией
равно …
равно …Если потери теплоты с уходящими газами, от химической неполноты сгорания топлива, от механического недожога, через ограждения топки и конвективных газоходов и с физической теплотой шлаков суммарно составляют 7,8%, то КПД котла «брутто» равен ___ %.
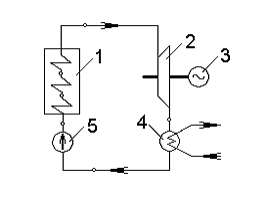
Уравнение
соответствует …
соответствует …11 
Работа компрессора, затрачиваемая на нагнетание сжатого газа, на индикаторной диаграмме, показанной на рисунке, изображается площадью …

Работа компрессора, затрачиваемая на нагнетание сжатого газа, на индикаторной диаграмме, показанной на рисунке, изображается площадью …
Если при определении зольности твердого топлива убыль массы навески и первоначальная масса навески составили
то зольность твердого топлива равна ____ %.
то зольность твердого топлива равна ____ %.Вещества, кристаллизующиеся на поверхностях нагрева, образуют плотные и прочные отложения, которые называются …

