Механика (Теплотехника) – страница 3
Если тепловая нагрузка котельной установки с учетом всех теплопотерь и расход твердого топлива за год равны соответственно
то низшая теплота сгорания рабочей массы твердого топлива
в
составляет …
то низшая теплота сгорания рабочей массы твердого топлива
в
составляет …2 
В процессе 1 – 2, представленном на рисунке, абсолютная температура и абсолютное давление, соответственно …

В процессе 1 – 2, представленном на рисунке, абсолютная температура и абсолютное давление, соответственно …
В изолированной термодинамической системе процессы, сопровождающиеся возрастанием энтропии, являются …
6 
График распределения температуры по толщине однородной однослойной плоской стенки на рисунке обозначен цифрой …

График распределения температуры по толщине однородной однослойной плоской стенки на рисунке обозначен цифрой …
7 
При обтекании нагретой жидкостью пластины на участке «б», показанном на рисунке, коэффициент теплоотдачи увеличивается из-за _______ толщины ламинарного подслоя.

При обтекании нагретой жидкостью пластины на участке «б», показанном на рисунке, коэффициент теплоотдачи увеличивается из-за _______ толщины ламинарного подслоя.
Для расчета средних коэффициентов теплоотдачи в условиях естественной конвекции для различных поверхностей пользуются уравнением подобия …
Если КПД котла «брутто» равен 92,5%, то потери теплоты с уходящими газами, от химической неполноты сгорания топлива, от механического недожога, через ограждения топки и конвективных газоходов и с физической теплотой шлаков суммарно равны …
12 
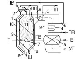
Цифрой 8 на схеме вертикально – водотрубного барабанного парового котла с естественной циркуляцией обозначен(-а) …

Цифрой 8 на схеме вертикально – водотрубного барабанного парового котла с естественной циркуляцией обозначен(-а) …
14 
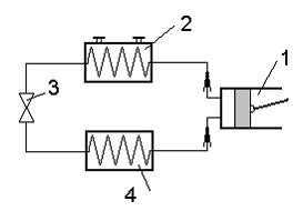
Мотор-компрессор паровой компрессионной холодильной машины, представленной на рисунке, обозначен цифрой …

Мотор-компрессор паровой компрессионной холодильной машины, представленной на рисунке, обозначен цифрой …
15 
Подвод и отвод теплоты в цикле Ренкина, представленном на графике, производится в термодинамическом процессе …

Подвод и отвод теплоты в цикле Ренкина, представленном на графике, производится в термодинамическом процессе …

, то изменение энтальпий
для процесса 1 – 2, показанного на рисунке, равно _____ кДж/кг.