Механика (Теплотехника) – страница 25
3 
В процессе теплопередачи, представленной на рисунке, сопротивление передаче теплоты от более нагретой стенки к жидкости 1 к стенке характеризуется …

В процессе теплопередачи, представленной на рисунке, сопротивление передаче теплоты от более нагретой стенки к жидкости 1 к стенке характеризуется …
5 
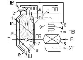
Цифрой 5 на схеме вертикально – водотрубного барабанного парового котла с естественной циркуляцией обозначен …

Цифрой 5 на схеме вертикально – водотрубного барабанного парового котла с естественной циркуляцией обозначен …
8 
При одинаковом перепаде давления
в равновесном и неравновесном процессах расширения пара в сопле, показанных на графике, соотношение между энтальпиями
и
имеет вид …

При одинаковом перепаде давления
в равновесном и неравновесном процессах расширения пара в сопле, показанных на графике, соотношение между энтальпиями
и
имеет вид …13 
В процессе 1 – 2, показанном на рисунке, абсолютная температура и абсолютное давление, соответственно …

В процессе 1 – 2, показанном на рисунке, абсолютная температура и абсолютное давление, соответственно …
Если расход натурального топлива составляет 106 кг и
то расход условного топлива в кг равен …
то расход условного топлива в кг равен …Степень черноты газов, образующихся в топках котлов, в первом приближении равна …


, где
– местная скорость звука, то на участке a – b сопла поток …


, то работа расширения в процессе 1 – 2, показанном на рисунке, равна _____ Дж/кг.