Механика (Теплотехника) – страница 18
7 
Работа компрессора, затрачиваемая на всасывание газа на индикаторной диаграмме, показанной на рисунке, изображается площадью …

Работа компрессора, затрачиваемая на всасывание газа на индикаторной диаграмме, показанной на рисунке, изображается площадью …
Самотяга дымовой трубы будет тем больше, чем выше __________ газов в трубе и ниже температура воздуха.
Расход топлива паровым котлом, вырабатывающим перегретый пар, определяется по формуле …
Если паропроизводительность котла D=14 т/ч, продувка составляет Dпр=0,35 т/ч, то расход питательной воды в т/ч равен …
13 
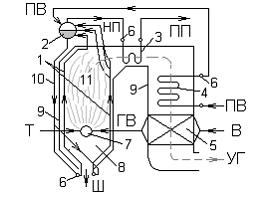
Предварительный подогрев питательной воды, поступающей в экраны топочной камеры вертикально – водотрубного барабанного парового котла, выполняется в элементе, обозначенном цифрой …

Предварительный подогрев питательной воды, поступающей в экраны топочной камеры вертикально – водотрубного барабанного парового котла, выполняется в элементе, обозначенном цифрой …


, то плотность теплового потока
в кВт/м2 равна …


(см. рис.), то потеря в сопловом аппарате кинетической энергии вследствие трения равна …