Механика (Теплотехника) – страница 10
Торможение адиабатного потока при течении рабочей среды в соплах и диффузорах вызывает увеличение …
2 
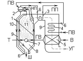
Отделение пара от воды выполняется в элементе вертикально – водотрубного барабанного парового котла, обозначенного цифрой …

Отделение пара от воды выполняется в элементе вертикально – водотрубного барабанного парового котла, обозначенного цифрой …
Поддержание предельно-допустимых концентраций вредных веществ в атмосферном воздухе обеспечивается методами …
Питательный насос котельной установки предназначен для подачи __________ воды в котел.
Зольность твердого топлива определяется путем прокаливания пробы топлива при температуре …
Количество кислорода в кг, необходимое для окисления 12 кг углерода, в соответствии со стехиометрической реакцией
равно …
равно …10 
Рабочее тело совершает обратимый термодинамический процесс (цикл)
a – b – c – d – a. Термическое уравнение состояния такого рабочего тела имеет вид …

Рабочее тело совершает обратимый термодинамический процесс (цикл)
a – b – c – d – a. Термическое уравнение состояния такого рабочего тела имеет вид …
Масса пара в 1 м3 влажного воздуха, численно равная плотности пара ρп при парциальном давлении рп, называется …

, то в процессе 1 – 2, показанном на рисунке, давление в точке 1 равно ____ кПа.

